Operation CHARM: Car repair manuals for everyone.
Manuals through 2025 now available!

Our trusted friends have launched a new website named LEMON, which has newer manuals. It also contains all the CHARM manuals.

LEMON is the spiritual successor to CHARM, I recommend you try it!

Link: lemon-manuals.la or lemon-manuals.org.ua

(Some people have issue connecting. LEMON is investigating. For now, use Firefox or change your DNS server)

Or, hide this message: temporarily or permanently

On Vehicle Specification

Transfer Assembly Inspection
1. Raise the vehicle, and make sure it is supported securely.
2. Shift the transmission into the N position.
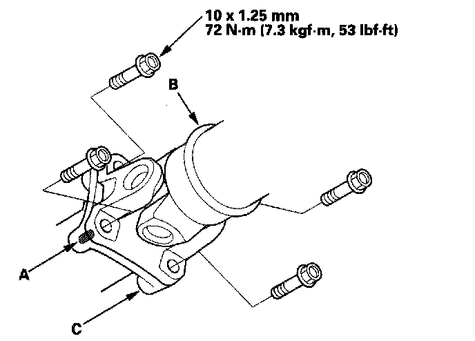
3. Make a reference mark (A) across the propeller shaft (B) and the transfer companion flange (C).





4. Separate the propeller shaft from the transfer companion flange.
5. Set a dial indicator (A) on the transfer companion flange (B); position dial indicator tip (C) on the direct extension of the bolt hole center (D).





6. Measure the transfer gear backlash.

Standard: 0.06-0.17 mm (0.002-0.007 in.)

7. If the measurement is out of standard, remove the transfer assembly, and adjust the transfer gear backlash.
8. Check for fluid leaks between the mating faces of the transfer assembly and transmission.
9. If there is a leak, remove the transfer assembly, remove the transfer cover, and replace the O-ring.
10. Check for fluid leaks between the transfer companion flange and transfer oil seal.
11. If there is a leak, remove the transfer assembly from the transmission, and replace the transfer oil seal and O-ring on the transfer output shaft (hypoid gear). If an oil seal and O-ring replacement is required, you will need to check and adjust the transfer gear tooth contact, transfer gear backlash, the tapered roller bearing starting torque, and the total starting torque. Do not replace the oil seal with the transfer assembly on the transmission.