Operation CHARM: Car repair manuals for everyone.
Manuals through 2025 now available!

Our trusted friends have launched a new website named LEMON, which has newer manuals. It also contains all the CHARM manuals.

LEMON is the spiritual successor to CHARM, I recommend you try it!

Link: lemon-manuals.la or lemon-manuals.org.ua

(Some people have issue connecting. LEMON is investigating. For now, use Firefox or change your DNS server)

Or, hide this message: temporarily or permanently

Transfer Assembly Installation

Transfer Assembly Installation
1. Clean the areas where the transfer assembly contacts the transmission with solvent or carburetor cleaner, and dry with compressed air. Then apply transmission fluid to the contact area.
2. Install the dowel pin (A) in the transmission.





3. Insert the one 10 x 1.25 mm bolt (length: 105 mm) (B) in the rear upper of the transfer housing, then install the transfer assembly (C) on the transmission.
4. Install the propeller shaft (A) to the transfer companion flange (B) by aligning the reference mark (C).





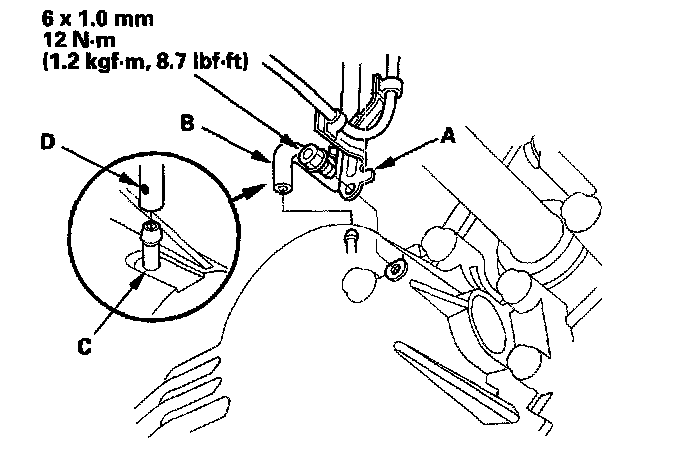
5. Secure the transfer breather hose bracket (A) on the transfer assembly with the bolt, and install the breather hose (B) over the breather pipe (C) with the dot (D) on the hose facing out.





6. Install the exhaust pipe A with the new self-locking nuts, its mount (B), and new gaskets (C) (D).





7. Install the front subframe stiffener with the new mounting bolts.





8. Refill the transfer with transfer fluid (hypoid gear oil), if necessary.
9. Refill the transmission with ATF.