Operation CHARM: Car repair manuals for everyone.
Manuals through 2025 now available!

Our trusted friends have launched a new website named LEMON, which has newer manuals. It also contains all the CHARM manuals.

LEMON is the spiritual successor to CHARM, I recommend you try it!

Link: lemon-manuals.la or lemon-manuals.org.ua

(Some people have issue connecting. LEMON is investigating. For now, use Firefox or change your DNS server)

Or, hide this message: temporarily or permanently

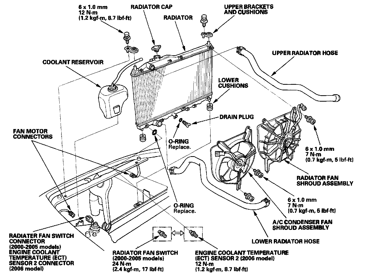
Radiator: Service and Repair

Radiator and Fan Replacement
1. Drain the engine coolant.





2. Remove the upper and lower radiator hoses.
3. 2000-2005 models: Disconnect the fan motor connectors and radiator fan switch connector.
4. 2006 models: Disconnect the fan motor connectors and engine coolant temperature (ECT) sensor 2 connector.
5. Remove the radiator upper brackets and cushions, then pull up the radiator.
6. Remove both fan shroud assemblies and other parts from the radiator.
7. Install the radiator in the reverse order of removal. Make sure the upper and lower cushions are set securely.
8. Refill the radiator with engine coolant, then bleed the air from the cooling system.
9. Clean up any spilled engine coolant.