Operation CHARM: Car repair manuals for everyone.
Manuals through 2025 now available!

Our trusted friends have launched a new website named LEMON, which has newer manuals. It also contains all the CHARM manuals.

LEMON is the spiritual successor to CHARM, I recommend you try it!

Link: lemon-manuals.la or lemon-manuals.org.ua

(Some people have issue connecting. LEMON is investigating. For now, use Firefox or change your DNS server)

Or, hide this message: temporarily or permanently

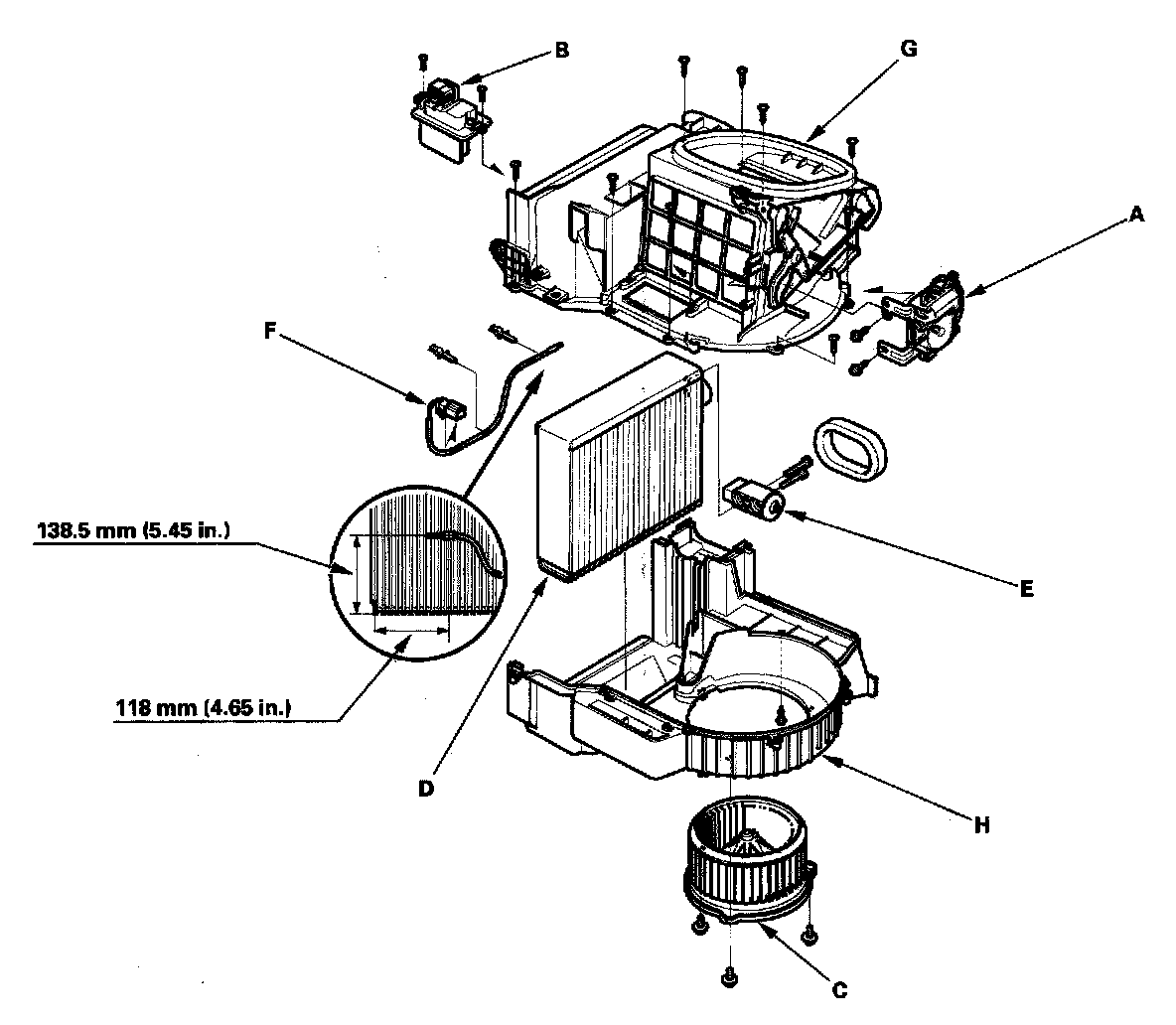
Blower/Evaporator Unit Component Replacement




Blower/Evaporator Unit Component Replacement

Note these items when overhauling the blower/evaporator unit:
- The recirculation control motor (A), the power transistor (B), and the blower motor (C) can be replaced without removing the blower/evaporator unit.
- If you're installing a new evaporator core (D), add refrigerant oil (KEIHIN SP-10).
- If necessary, remove the expansion valve (E).
- Replace the O-rings with new ones at each fitting and apply a thin coat of refrigerant oil before installing them. Be sure to use the correct O-rings for HFC-134a (R-134a) to avoid leakage.
- Immediately after using the oil, reinstall the cap on the container, and seal it to avoid moisture absorption.
- Reinstall the evaporator temperature sensor (F) in its original location.
- Before reassembly, make sure that the recirculation control linkage and doors move smoothly.
- After reassembly, make sure the recirculation control motor runs smoothly.
- Make sure no air is leaking from the upper housing (G) and the lower housing (H) fitting.