Operation CHARM: Car repair manuals for everyone.
Manuals through 2025 now available!

Our trusted friends have launched a new website named LEMON, which has newer manuals. It also contains all the CHARM manuals.

LEMON is the spiritual successor to CHARM, I recommend you try it!

Link: lemon-manuals.la or lemon-manuals.org.ua

(Some people have issue connecting. LEMON is investigating. For now, use Firefox or change your DNS server)

Or, hide this message: temporarily or permanently

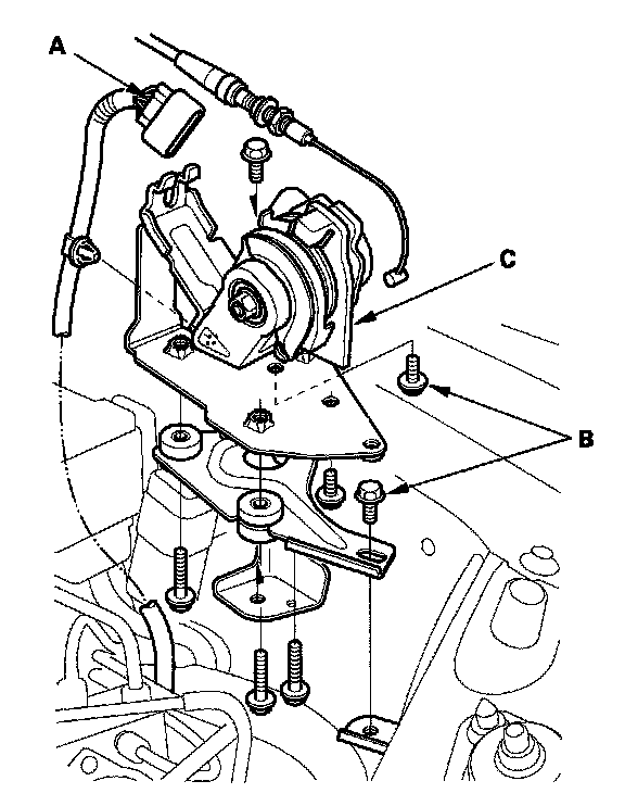
Accelerator Pedal Position Sensor: Service and Repair

APP Sensor Replacement

1. Remove the throttle cable cover.
2. Remove the throttle cable.




3. Disconnect the accelerator pedal position (APP) sensor 6P connector (A).
4. Remove the bolts (B) and the APP sensor (C).
5. Install the parts in the reverse order of removal.