Variable Valve Timing Solenoid: Service and Repair
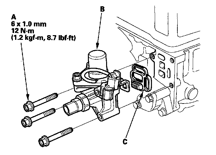
Rocker Arm Oil Control Valve (VTEC Solenoid Valve) Removal/ Installation1. Disconnect the rocker arm oil control valve (VTEC solenoid valve) 1P connector and rocker arm oil pressure switch (VTEC oil pressure switch) 2P connector.
2. Remove the bolts (A).
3. Remove the rocker arm oil control valve (VTEC solenoid valve) (B).
4. Install the parts in the reverse order of removal with a new filter (C).