Operation CHARM: Car repair manuals for everyone.
Manuals through 2025 now available!

Our trusted friends have launched a new website named LEMON, which has newer manuals. It also contains all the CHARM manuals.

LEMON is the spiritual successor to CHARM, I recommend you try it!

Link: lemon-manuals.la or lemon-manuals.org.ua

(Some people have issue connecting. LEMON is investigating. For now, use Firefox or change your DNS server)

Or, hide this message: temporarily or permanently

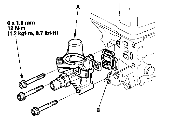
Variable Valve Timing Solenoid: Testing and Inspection

Rocker Arm Oil Control Solenoid (VTEC Solenoid Valve) Inspection

1. Disconnect the IP connector from the rocker arm oil control solenoid (VTEC solenoid valve.)




2. Measure resistance between the terminal and body ground.




3. If the resistance is within specifications, remove the rocker arm oil control valve (VTEC solenoid valve) (A) from the cylinder head, and check the rocker arm oil control valve (VTEC solenoid valve) filter (B) for clogging. If there is clogging, replace the engine oil filter, the rocker arm oil control valve (VTEC solenoid Valve) filter, and the engine oil.

If the filter is not clogged, replace the rocker arm oil control valve (VTEC solenoid Valve).