Operation CHARM: Car repair manuals for everyone.
Manuals through 2025 now available!

Our trusted friends have launched a new website named LEMON, which has newer manuals. It also contains all the CHARM manuals.

LEMON is the spiritual successor to CHARM, I recommend you try it!

Link: lemon-manuals.la or lemon-manuals.org.ua

(Some people have issue connecting. LEMON is investigating. For now, use Firefox or change your DNS server)

Or, hide this message: temporarily or permanently

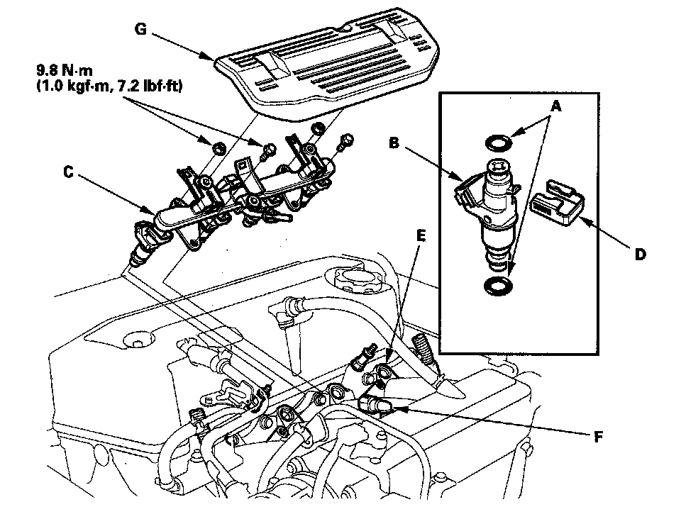
Fuel Injector: Service and Repair

Injector Replacement

1. Relieve the fuel pressure.




2. Remove the fuel rail cover (A).
3. Disconnect the connectors (B) from the injectors, then remove the harness holder (C) from the fuel rail (D).
4. Disconnect the quick-connect fitting (E) from the fuel rail.
5. Remove the retainer nuts (F) and bolts (G) from the fuel rail.
6. Disconnect the fuel rail from the intake manifold (H).
7. Remove the injector clip (I) from the fuel rail.
8. Remove the injectors (J) from the fuel rail.
9. Remove the O-rings (K) from the injector.




10. Coat new O-rings (A) with clean engine oil, and put them on the injectors (B).
11. Insert the injectors into the fuel rail (C).
12. Install the injector clip (D).
13. Install the injectors in the intake manifold (E).
14. Install and tighten the retainer nuts and bolts.
15. Connect the quick-connect fitting (F).
16. Connect the injector connectors and the harness holder.
17. Install the injector cover (G).
18. Turn the ignition switch ON (II), but do not operate the starter. After the fuel pump runs for about 2 seconds, the fuel pressure in the fuel line rises. Repeat this 2 or 3 times, then check for fuel leakage.