Operation CHARM: Car repair manuals for everyone.
Manuals through 2025 now available!

Our trusted friends have launched a new website named LEMON, which has newer manuals. It also contains all the CHARM manuals.

LEMON is the spiritual successor to CHARM, I recommend you try it!

Link: lemon-manuals.la or lemon-manuals.org.ua

(Some people have issue connecting. LEMON is investigating. For now, use Firefox or change your DNS server)

Or, hide this message: temporarily or permanently

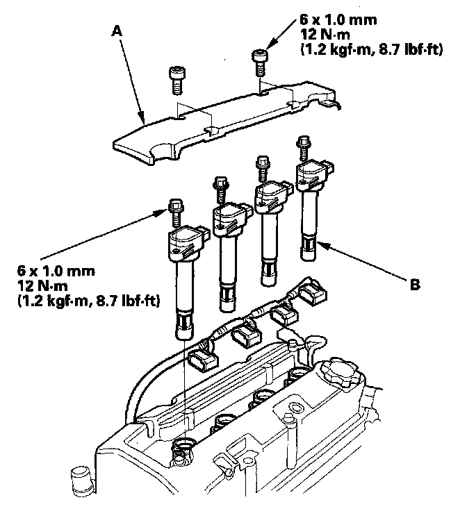
Ignition Coil: Service and Repair

Ignition Coil Removal/Installation




1. Remove the ignition coil cover (A).
2. Disconnect the ignition coil connectors, then remove the ignition coils (B).




3. Install the ignition coils in the reverse order of removal.

NOTE: The ignition coils for 2006-2007 models are different from former models. Do not install the ignition coils for other year model, because it may be damaged. As for the distinction, the ignition coils for 2006-2007 models have the ribs (A) on the coil head and supplier's parts number (B).