Operation CHARM: Car repair manuals for everyone.
Manuals through 2025 now available!

Our trusted friends have launched a new website named LEMON, which has newer manuals. It also contains all the CHARM manuals.

LEMON is the spiritual successor to CHARM, I recommend you try it!

Link: lemon-manuals.la or lemon-manuals.org.ua

(Some people have issue connecting. LEMON is investigating. For now, use Firefox or change your DNS server)

Or, hide this message: temporarily or permanently

Passenger's Weight Sensor Unit Replacement

Passenger's Weight Sensor Unit Replacement

Removal ('06-07 Models)

NOTE: Review the seat replacement procedure before performing repair or service.

1. Slide the seat all the way to the rear.
2. Disconnect the negative cable from the battery, and wait at least 3 minutes before beginning work.
3. Disconnect the passenger's airbag 4P connector.




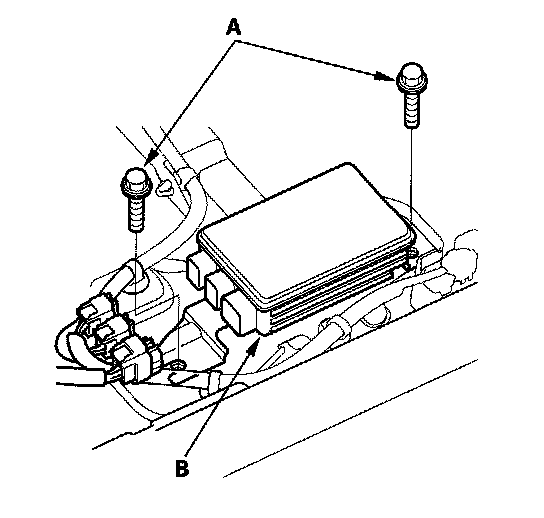
4. Disconnect the connectors. Remove the mounting bolts (A) and the passenger's weight sensor unit (B) from the seat riser.

Installation

NOTE: Be sure to install the harness wires so they are not pinched or interfering with other parts.




1. Place the new passenger's weight sensor unit on the seat riser. Tighten the two mounting bolts (A) and connect the connectors.
2. Reconnect the passenger's airbag 4P connector.
3. Reconnect the negative cable to the battery.
4. Calibrate the passenger's weight sensor unit.
5. After installing the passenger's weight sensor unit, confirm proper system operation: Turn the ignition switch ON (II); the SRS indicator should come on for about 6 seconds and then go off.