Operation CHARM: Car repair manuals for everyone.
Manuals through 2025 now available!

Our trusted friends have launched a new website named LEMON, which has newer manuals. It also contains all the CHARM manuals.

LEMON is the spiritual successor to CHARM, I recommend you try it!

Link: lemon-manuals.la or lemon-manuals.org.ua

(Some people have issue connecting. LEMON is investigating. For now, use Firefox or change your DNS server)

Or, hide this message: temporarily or permanently

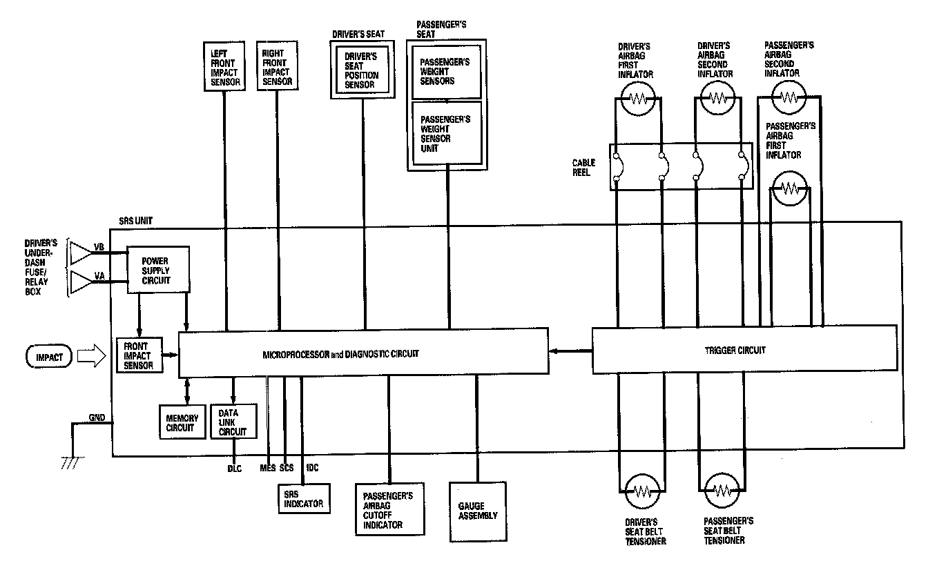
Air Bag Systems: Description and Operation

System Description

SRS Components ('06-07 Models)




Airbags

The SRS is a safety device which, when used with the seat belt, is designed to help protect the driver and passenger in a frontal impact exceeding a certain set limit. The system consists of the SRS unit, including safing sensor and impact sensor (A), the cable reel (B), the driver's airbag (C), the passenger's airbag (D), seat belt tensioners (E), front impact sensors (F).
Since the driver's and passenger's airbags use the same sensors, both normally inflate at the same time. However, it is possible for only one airbag to inflate. This can occur when the severity of a collision is at the margin, or threshold, that the SRS unit determines whether or not the airbags will deploy. In such cases, the seat belt will provide sufficient protection, and the supplemental protection offered by the airbag would be minimal.

Passenger's Weight Sensors
The passenger's weight sensor unit (G) is under the passenger's seat along with the weight sensors (H). The weight sensors detect the weight on the seat, and send the information to the passenger's weight sensor unit. If the total weight is about 65 lbs (30 kg) or less, the passenger's weight sensor unit sends a signal to the SRS unit to prevent the passenger's airbag from deploying. When the passenger's airbag is disabled, the passenger airbag cutoff indicator on the center panel comes on to alert the driver that the passenger's airbag will not deploy in a front-end collision.

Driver's Seat Position Sensor
The driver's seat position sensor (I) is under the driver's seat on the left side. When the driver's seat is moved to its full forward position, the deployment of the driver's airbag is moderated to decrease its force of impact during a front-end collision.

Passenger Airbag Cutoff Indicator ('06-07 Models)
The indicator comes on if the weight of the passenger is about 65 lbs (30 kg) or less. This indicates the passenger's front airbag is off and will not deploy. The front airbag is shut off to reduce the chance of airbag-caused injuries.

SRS Operation ('06-07 Models)
The main circuit in the SRS unit senses and judges the force of impact and, if necessary, ignites the inflator charges. If battery voltage is too low or power is disconnected due to the impact, the voltage regulator and the back-up power circuit will keep voltage at a constant level.

For the SRS to Operate

Seat Belt Tensioners
1. A front impact sensor must activate and send electric signals to the microprocessor.
2. The microprocessor must compute the signals and send them to the tensioners.
3. The charges must ignite and deploy the tensioners.




Driver's and Passenger's Airbag(s)
1. A front impact sensor must activate, and send electric signals to the microprocessor.
2. The microprocessor must compute the signals, and send them to the airbag inflator(s).
3. The inflators that received signals must ignite and deploy the airbags.

Self-diagnostic System

A self-diagnostic circuit is built into the SRS unit; when the ignition switch is turned ON (II), the SRS indicator comes on and goes off after about 6 seconds if the system is operating normally.

If the indicator does not come on, or does not go off after 6 seconds, or if it comes on while driving, it indicates an abnormality in the system. The system must be inspected and repaired as soon as possible.

For better serviceability, the SRS unit memory stores a DTC that relates to the cause of the malfunction, and the unit is connected to the data link connector (DLC). This information can be read with the HDS when it is connected to the DLC.

SRS Unit Inputs And Outputs At Connector A (28P):




SRS Unit Inputs And Outputs At Connector A (28P)

SRS Unit Inputs And Outputs At Connector B (28P):




SRS Unit Inputs And Outputs At Connector B (28P)