Operation CHARM: Car repair manuals for everyone.
Manuals through 2025 now available!

Our trusted friends have launched a new website named LEMON, which has newer manuals. It also contains all the CHARM manuals.

LEMON is the spiritual successor to CHARM, I recommend you try it!

Link: lemon-manuals.la or lemon-manuals.org.ua

(Some people have issue connecting. LEMON is investigating. For now, use Firefox or change your DNS server)

Or, hide this message: temporarily or permanently

Removal and Replacement

Starter Removal and Installation

Removal

1. Make sure you have the anti-theft code for the radio, then write down the audio presets.
2. Disconnect the negative cable from the battery first, then disconnect the positive cable.




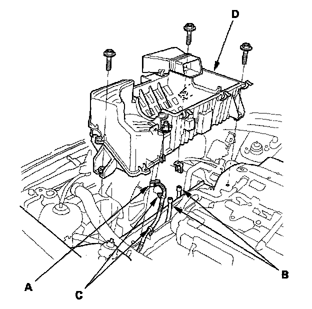
3. 2000-2005 models: Disconnect the air hose (A) and breather pipe (B), then remove the air cleaner housing cover (C) and air cleaner assembly (D).




4. 2006-2007 models: Disconnect the intake air temperature (IAT) sensor connector (A) and breather pipe (B), remove the manifold absolute pressure (MAP) sensor harness (C) from the holder, then remove the air cleaner housing cover (D) and air cleaner assembly (E).




5. 2000-2005 models: Disconnect the air control solenoid valve connector (A) and vacuum hoses (B), remove the harness clamps (C), then remove the intake air cleaner housing (D).




6. 2006-2007 models: Remove the IAT sensor harness clamps (A), then remove the intake air cleaner housing (B).
7. Remove the drive belt.




8. Disconnect the 4P connector (A) from the alternator (B), and disconnect the BLK wire from the alternator B terminal (C).




9. Remove the mounting bolts, then remove the alternator.




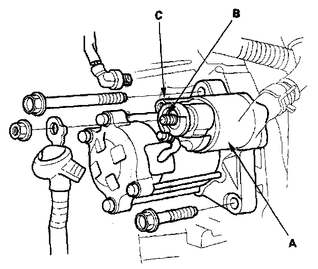
10. Disconnect the starter cable from the B terminal on the starter solenoid (A), then disconnect the BLK/WHT wire from the S terminal (C).
11. Remove the two bolts securing the starter, then remove the starter.

Installation




1. Install the starter, then connect the starter cable to the B terminal on the starter solenoid (A) and the BLK/WHT wire to S terminal (C). Make sure the starter cable crimped side of the ring terminal is facing out.




2. Install the alternator.




3. Connect the 4P connector (A) to the alternator and BLK wire to the alternator B terminal (B).
4. Install the drive belt.




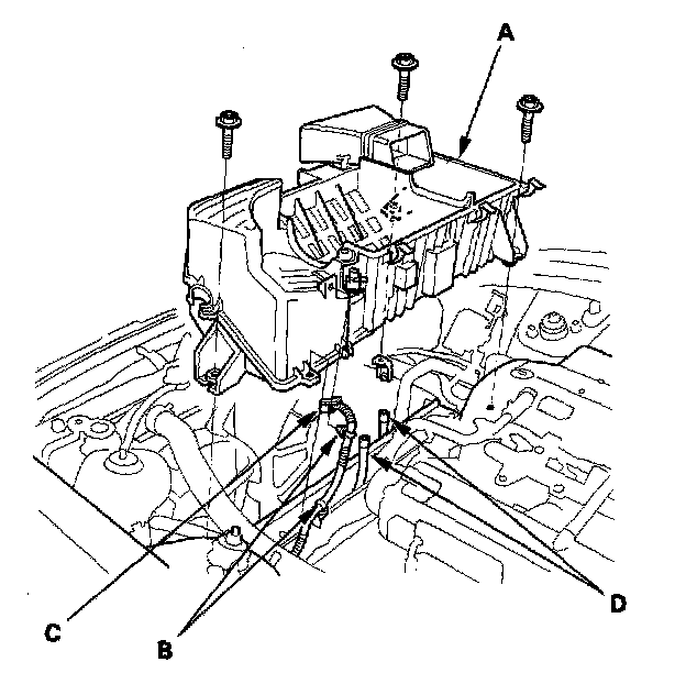
5. 2000-2005 models: Install the intake air cleaner housing (A), then install the harness clamps (B), connect air control solenoid valve connector (C) and vacuum hoses (D).




6. 2006-2007 models: Install the intake air cleaner housing (A), then install the IAT sensor harness clamps (B).




7. 2000-2005 models: Install the air cleaner assembly (A) and air cleaner housing cover (B), then connect the air hose (C) and breather pipe (D).




8. 2006-2007 models: Install the air cleaner assembly (A) and air cleaner housing cover (B), then install the MAP sensor harness (C) to the holder, connect the IAT sensor connector (D) and breather pipe (E).
9. Connect the positive cable to the battery first, then connect the negative cable.
10. Start the engine to make sure the starter works properly.
11. 2000-2005 models: Do the engine control module (ECM) idle learn procedure.
12. Enter the anti-theft code for the radio, then enter the audio preset.
13. Set the clock.