Operation CHARM: Car repair manuals for everyone.
Manuals through 2025 now available!

Our trusted friends have launched a new website named LEMON, which has newer manuals. It also contains all the CHARM manuals.

LEMON is the spiritual successor to CHARM, I recommend you try it!

Link: lemon-manuals.la or lemon-manuals.org.ua

(Some people have issue connecting. LEMON is investigating. For now, use Firefox or change your DNS server)

Or, hide this message: temporarily or permanently

Differential Removal

Differential Removal
1. Raise the rear of the vehicle, and support it with safety stands in the proper locations.





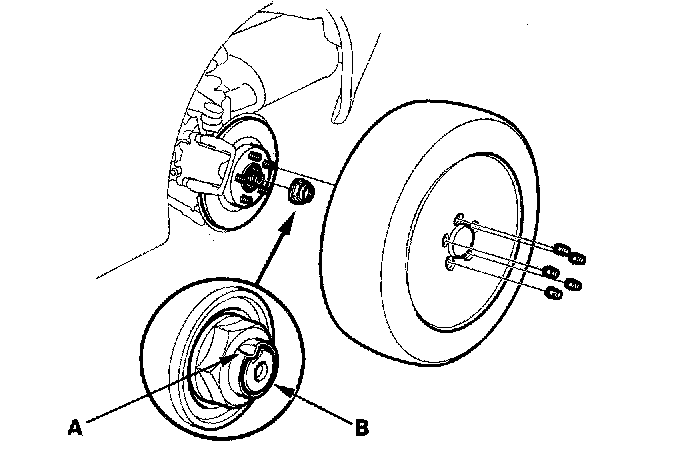
2. Remove the wheel nuts and rear wheels.
3. Lift up the locking tab (A) on the spindle nut (B), then remove the nut.
4. Remove the cotter pin from the lower arm ball joint castle nut, and remove the nut. Then separate the ball joint from the lower arm with the ball joint thread protector and remover.

NOTE:
^ To avoid damaging the ball joint, install the ball joint thread protector onto the threads of the ball joint.
^ Be careful not to damage the ball joint boot when installing the remover.





5. Remove the wheel sensor harness from the upper arm.





6. Make reference marks (A) across the inboard joint (B) and the rear differential (C).
7. Remove the six inboard joint mounting bolts (D) and nuts (E), then remove the inboard joint from the rear differential.
8. Drain the differential fluid.
9. Remove the propeller shaft.





10. Remove the rear suspension stiffener (A).








11. Remove the evaporative emission (EVAP) canister cover.
12. Place a floor jack under the rear differential.





13. 2000-2005 models: Remove the four differential mount bracket B mounting nuts. 2006 model: Remove the four differential mount bracket B mounting nuts. Then remove the differential breather box.





14. Remove the four differential mount bracket A mounting bolts.





15. Lower the rear differential on the floor jack.
16. Remove the right and left differential mount bracket A from the differential.