Operation CHARM: Car repair manuals for everyone.
Manuals through 2025 now available!

Our trusted friends have launched a new website named LEMON, which has newer manuals. It also contains all the CHARM manuals.

LEMON is the spiritual successor to CHARM, I recommend you try it!

Link: lemon-manuals.la or lemon-manuals.org.ua

(Some people have issue connecting. LEMON is investigating. For now, use Firefox or change your DNS server)

Or, hide this message: temporarily or permanently

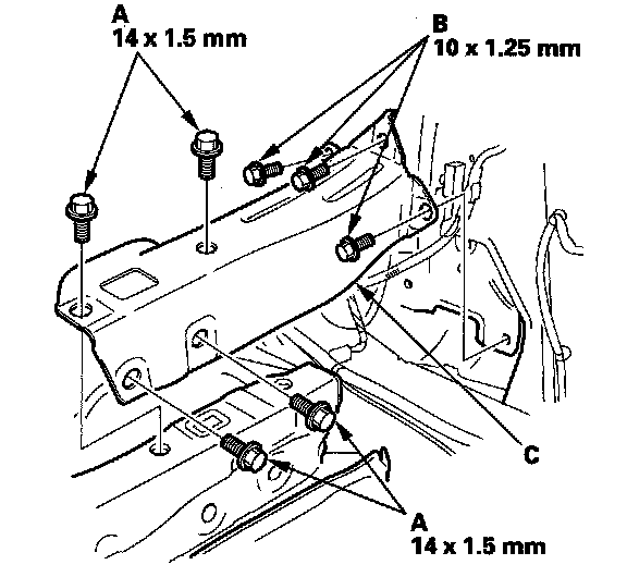
Cross-Member: Service and Repair

Middle Cross-member Gusset Replacement

2-door

NOTE: Take care not to scratch the body.

1. Remove the rear side trim panel.
2. Pull back the rear part of the carpet as needed.
3. Remove the bolts (A, B), then remove the middle cross-member gusset (C).






4. Install the gusset in the reverse order of removal. When installing the mounting bolts for the middle cross-member gusset (A), torque the mounting hardware in the sequence shown. If the mounting bolts are not torqued in this sequence, damage to the quarter panel will occur.