Operation CHARM: Car repair manuals for everyone.
Manuals through 2025 now available!

Our trusted friends have launched a new website named LEMON, which has newer manuals. It also contains all the CHARM manuals.

LEMON is the spiritual successor to CHARM, I recommend you try it!

Link: lemon-manuals.la or lemon-manuals.org.ua

(Some people have issue connecting. LEMON is investigating. For now, use Firefox or change your DNS server)

Or, hide this message: temporarily or permanently

Intake Manifold: Service and Repair

Engine Mechanical

Intake Manifold and Exhaust System

Intake Manifold Removal and Installation

Intake Manifold:





Removal

1. Do the battery removal procedure.
2. Remove the front grille cover.
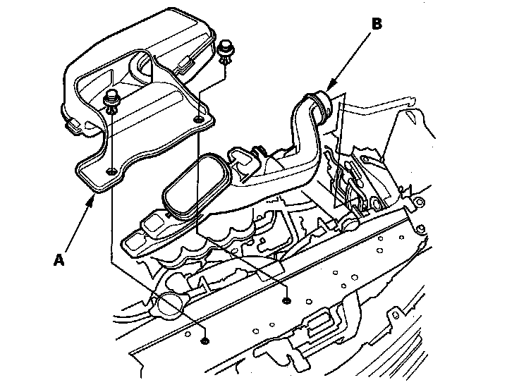
3. Remove the water separator cover (A) and the intake air duct (B).





4. Remove the harness clamps, then remove the battery base.
5. Remove the engine cover.





6. Remove the breather pipe (A), then remove the intake air duct (B).





7. Remove the evaporative emission (EVAP) canister hose (A) and the brake booster vacuum hose (B).





8. Remove the water bypass hoses (C), then plug the water bypass hoses.
9. Disconnect the manifold absolute pressure (MAP) sensor connector (A) and throttle actuator connector (B), then remove the wire harness clamps (C).





10. Remove the intake manifold bracket.





11. Remove the vacuum hose (A) from the intake manifold.





12. Remove the positive crankcase ventilation (PCV) hose (A) from the intake manifold, then remove the intake manifold (B).





Installation

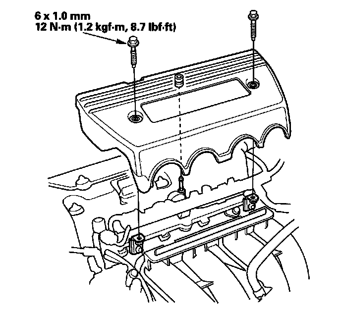
1. Install the positive crankcase ventilation (PCV) hose (A) to the intake manifold, then install the intake manifold (B) and tighten the bolts and nuts in a crisscross pattern in three steps, beginning with the inner bolt.





2. Install the vacuum hose (A) to the intake manifold.





3. Install the intake manifold bracket.





4. Connect the manifold absolute pressure (MAP) sensor connector (A) and throttle actuator connector (B), then install the wire harness clamps (C).





5. Install the water bypass hoses (A).





6. Install the evaporative emission (EVAP) canister hose (B) and the brake booster vacuum hose (C).
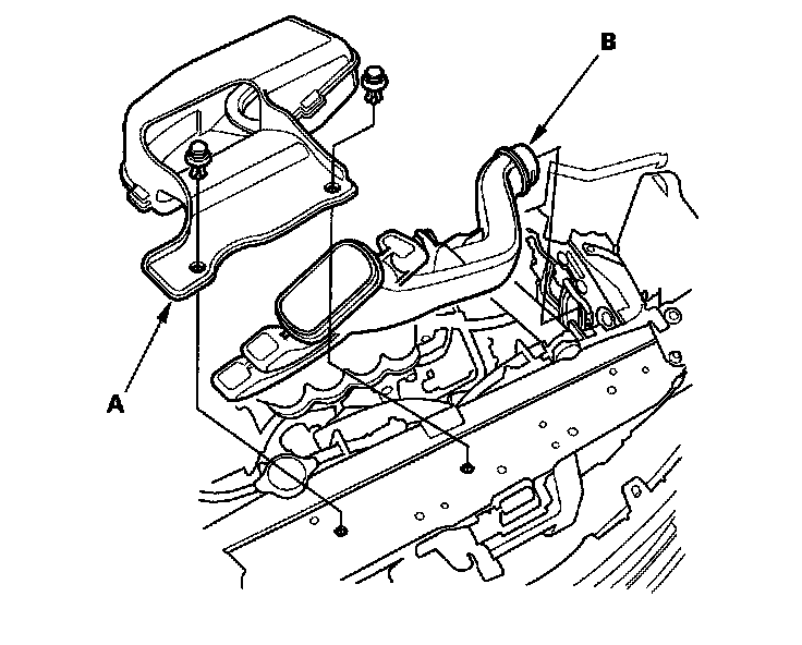
7. Install the intake air duct (A), then install the breather pipe (B).





8. Install the engine cover.





9. Install the battery base, then install the harness clamps.
10. Install the water separator (A) and the intake air duct (B).





11. Install the front grille cover.
12. Refill the radiator with engine coolant, and bleed air from the cooling system with the heater valve open.
13. Clean up any spilled engine coolant.
14. After installation, check that all tubes, hoses, and connectors are installed correctly.
15. Do the battery installation procedure.