Operation CHARM: Car repair manuals for everyone.
Manuals through 2025 now available!

Our trusted friends have launched a new website named LEMON, which has newer manuals. It also contains all the CHARM manuals.

LEMON is the spiritual successor to CHARM, I recommend you try it!

Link: lemon-manuals.la or lemon-manuals.org.ua

(Some people have issue connecting. LEMON is investigating. For now, use Firefox or change your DNS server)

Or, hide this message: temporarily or permanently

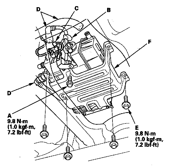
Fuel Tank Pressure Sensor: Service and Repair

FTP Sensor Replacement

1. Remove the bolt (A), and disconnect the EVAP canister vent shut valve 2P connector (B), the FTP sensor 3P connector (C), and the hoses (D).






2. Remove the bolts (E), and move the EVAP canister assembly (F) to the rear.
3. Remove the FTP sensor (A).






4. Install the parts in the reverse order of removal with a new O-ring (B) and a new retainer (C).