Operation CHARM: Car repair manuals for everyone.
Manuals through 2025 now available!

Our trusted friends have launched a new website named LEMON, which has newer manuals. It also contains all the CHARM manuals.

LEMON is the spiritual successor to CHARM, I recommend you try it!

Link: lemon-manuals.la or lemon-manuals.org.ua

(Some people have issue connecting. LEMON is investigating. For now, use Firefox or change your DNS server)

Or, hide this message: temporarily or permanently

Shift Cable: Service and Repair

Shift Cable Replacement
1. Lift the vehicle up on a lift or apply the parking brake, block rear wheels, and raise the front of the vehicle. Make sure it is securely supported.
2. Remove the following parts:
^ Heater control panel
^ Dashboard center panel
^ Center lower covers

3. Shift the shift (ever into R.
4. Remove the nut securing the shift cable end.





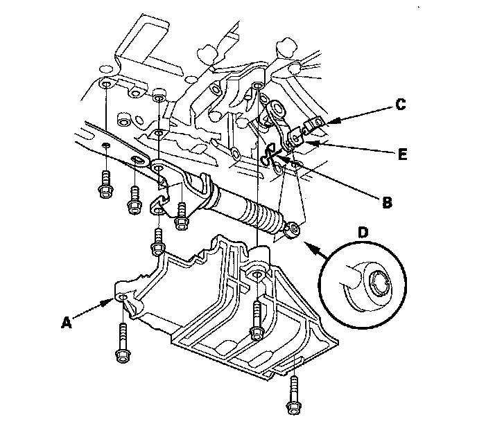
5. Unlock the retainer (A).





6. Rotate the socket holder retainer (A) counterclockwise (B) until it stops, and push in the retainer (C) to lock it.





7. Lower the socket holder (A), then slide it to remove the shift cable (B) from the shift cable bracket (C).





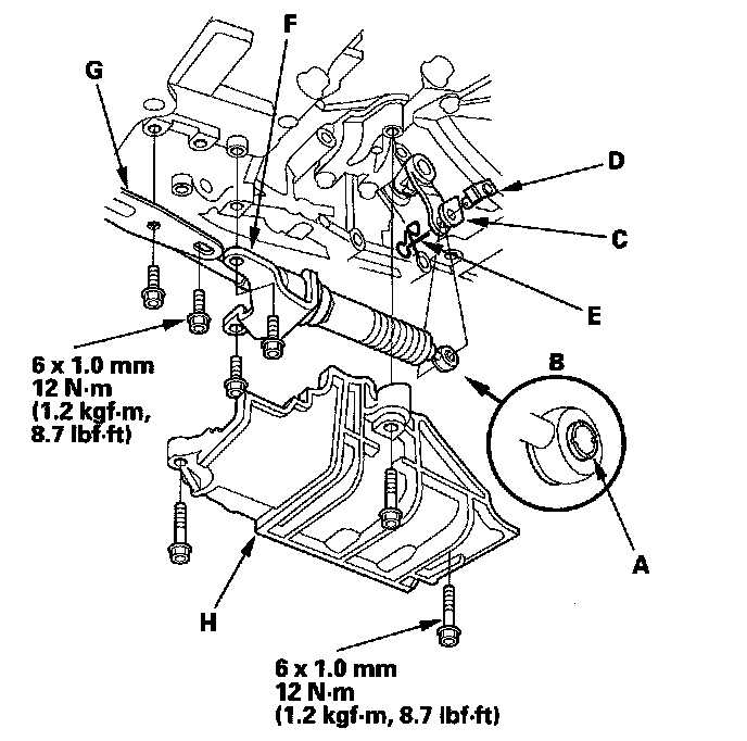
8. Remove the shift cable cover (A).





9. Remove the spring clip (B) and the control pin (C), and separate the shift cable end (D) from the control lever (E). Remove the bolts securing the shift cable brackets.
10. Remove the nuts securing the shift cable grommet (A).





11. Remove the shift cable grommet, and pull out the shift cable (B).
12. Insert a new shift cable through the grommet hole (C), and install the grommet in its hole. Do not bend the shift cable excessively.
13. Secure the shift cable grommet with the nuts.
14. Apply molybdenum grease to the hole in the bushing (A) in the shift cable end (B), attach the shift cable end to the control lever (C), and insert the control pin (D) into the control lever hole through the shift cable end. Then secure the control pin with the spring clip (E). Do not bend the shift cable excessively.





15. Secure the shift cable brackets (F) (G) with the bolts.
16. Install the shift cable cover (H).
17. Install the shift cable on the shift lever, and adjust the shift cable.