Operation CHARM: Car repair manuals for everyone.
Manuals through 2025 now available!

Our trusted friends have launched a new website named LEMON, which has newer manuals. It also contains all the CHARM manuals.

LEMON is the spiritual successor to CHARM, I recommend you try it!

Link: lemon-manuals.la or lemon-manuals.org.ua

(Some people have issue connecting. LEMON is investigating. For now, use Firefox or change your DNS server)

Or, hide this message: temporarily or permanently

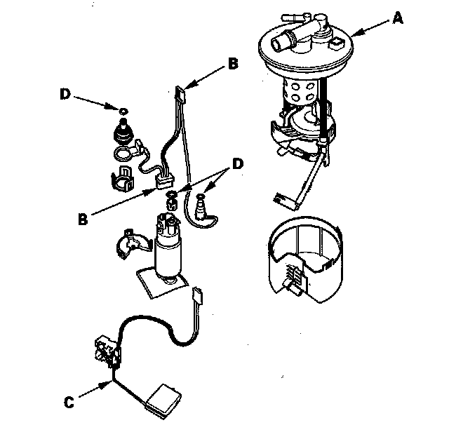
Fuel Filter: Service and Repair

Fuel Filter Replacement

The fuel filter should be replaced whenever the fuel pressure drops below the specified value; '06 model, '07-08 models. after making sure that the fuel pump and the fuel pressure regulator are OK.

1. Remove the fuel tank unit.
2. Remove the fuel filter set (A).






3. Check these items before installing the fuel tank unit:
- When connecting the wire harness, make sure the connection is secure and the connectors (B) are firmly locked into place.
- When installing the fuel gauge sending unit (C), make sure the connection is secure and the connector is firmly locked into place. Be careful not to bend or twist it excessively.

4. Install the parts in the reverse order of removal with new O-rings (D). When installing the fuel tank unit, align the marks on the unit and the fuel tank.

NOTE: Coat the O-rings with clean engine oil; do not use any other oil.