Operation CHARM: Car repair manuals for everyone.
Manuals through 2025 now available!

Our trusted friends have launched a new website named LEMON, which has newer manuals. It also contains all the CHARM manuals.

LEMON is the spiritual successor to CHARM, I recommend you try it!

Link: lemon-manuals.la or lemon-manuals.org.ua

(Some people have issue connecting. LEMON is investigating. For now, use Firefox or change your DNS server)

Or, hide this message: temporarily or permanently

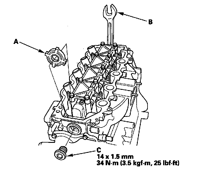
CMP Pulse Plate Removal and Installation

CMP Pulse Plate Removal and Installation

Removal

1. Remove the air cleaner assembly.
2. Remove the cylinder head cover.
3. Remove the purge control solenoid valve bracket.
4. Remove the cylinder head plug.





5. Hold the camshaft with a 27 mm open-end wrench, then loosen the bolt.





6. Remove the camshaft position (CMP) pulse plate.





Installation

1. Install the CMP pulse plate (A). Hold the camshaft with an open-end wrench (B), then tighten the bolt (C).

NOTE: Apply new engine oil to the bolt threads.





2. Install the new cylinder head plug.





3. Install the purge control solenoid valve bracket.
4. Install the cylinder head cover.
5. Install the air cleaner assembly.