Operation CHARM: Car repair manuals for everyone.
Manuals through 2025 now available!

Our trusted friends have launched a new website named LEMON, which has newer manuals. It also contains all the CHARM manuals.

LEMON is the spiritual successor to CHARM, I recommend you try it!

Link: lemon-manuals.la or lemon-manuals.org.ua

(Some people have issue connecting. LEMON is investigating. For now, use Firefox or change your DNS server)

Or, hide this message: temporarily or permanently

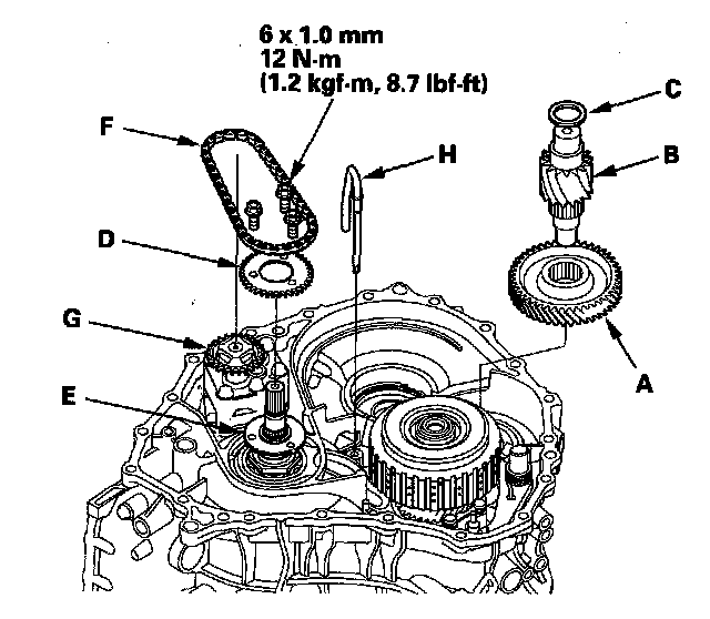
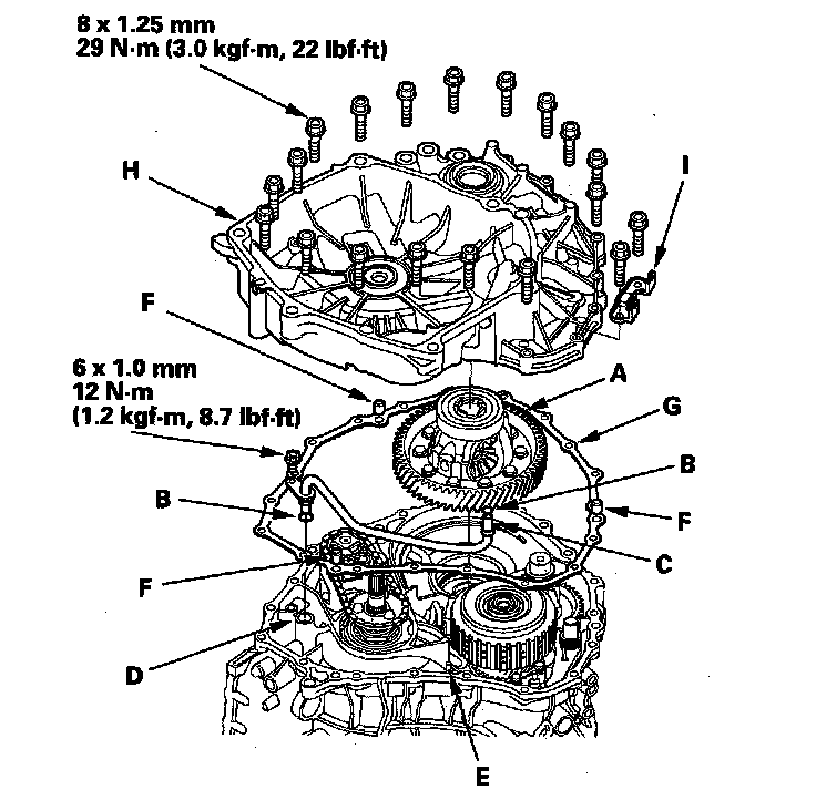
Overhaul Specifications

Drive plate






Flywheel to drive plate
Attach the flywheel to the drive plate with six bolts. Rotate the crankshaft pulley to tighten the bolts to 1/2 of the specified torque, then to the final torque, in a crisscross pattern.

Bolt 6 x 1.0 mm 12 Nm (1.2 kgf-m, 8.7 lbf-ft)


ATF pan






Exploded views


























For information regarding Transmission Overhaul Specifications, please refer to Service and Repair. Service and Repair