Operation CHARM: Car repair manuals for everyone.
Manuals through 2025 now available!

Our trusted friends have launched a new website named LEMON, which has newer manuals. It also contains all the CHARM manuals.

LEMON is the spiritual successor to CHARM, I recommend you try it!

Link: lemon-manuals.la or lemon-manuals.org.ua

(Some people have issue connecting. LEMON is investigating. For now, use Firefox or change your DNS server)

Or, hide this message: temporarily or permanently

Intake Manifold: Service and Repair

Intake Manifold Removal and Installation

Intake Manifold Removal And Installation Exploded View:





Removal
1. Drain the engine coolant.
2. Remove the engine cover.





3. Disconnect the vacuum hose (A) and breather pipe (B), then remove the intake air duct (C).





4. Remove the following engine wire harness connectors and wire harness clamps from the intake manifold:
^ Four fuel injector connectors
^ Manifold absolute pressure (MAP) sensor connector
^ Throttle actuator connector

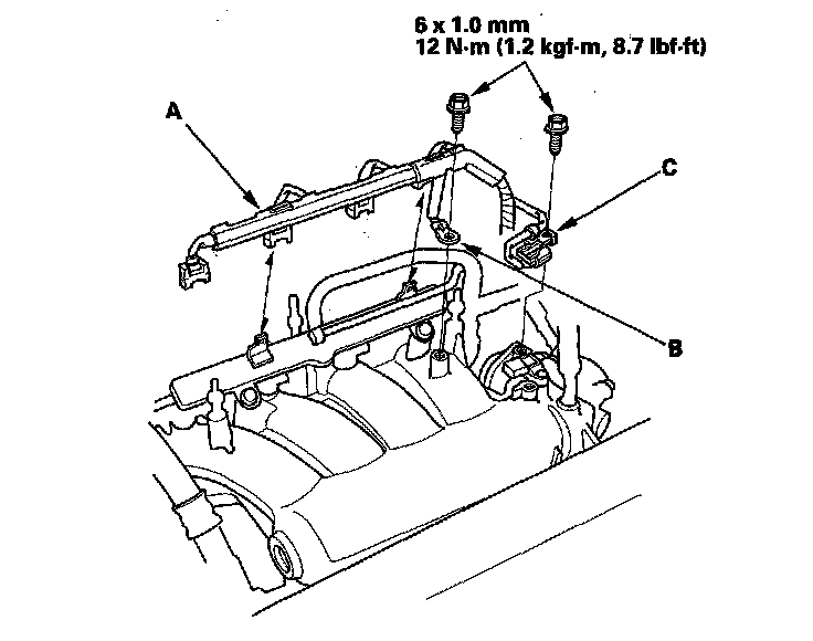
5. Remove the ground cable (A) and harness clamp bracket (B), then remove the harness holder (C) from the bracket.





6. Disconnect the positive crankcase ventilation (PCV) hose (A), evaporative emission (EVAP) canister hose (B) and brake booster vacuum hose (C).





7. Disconnect the water bypass hoses, then plug the water bypass hoses.





8. Remove the quick-connect fitting cover (A), then disconnect the fuel feed hose (B).





9. Raise the vehicle on the lift to full height.
10. Remove the connector (A), then remove the intake manifold bracket (B).





11. Lower the vehicle on the lift.
12. Remove the intake manifold (A) from the cylinder head, then remove the water bypass hose (B).





Installation
1. Install the water bypass hose (A) to the intake manifold (B), then install the intake manifold with a new gasket (C), and tighten the bolts and nuts in a crisscross pattern in three steps, beginning with the inner bolt.





2. Raise the vehicle on the lift to full height.
3. Install the intake manifold bracket (A), then install the connector (B).





4. Lower the vehicle on the lift.
5. Connect the fuel feed hose (A), then install the quick-connect fitting cover (B).





6. Install the water bypass hoses.





7. Install the positive crankcase ventilation (PCV) hose (A), evaporative emission (EVAP) canister hose (B) and brake booster vacuum hose (C).





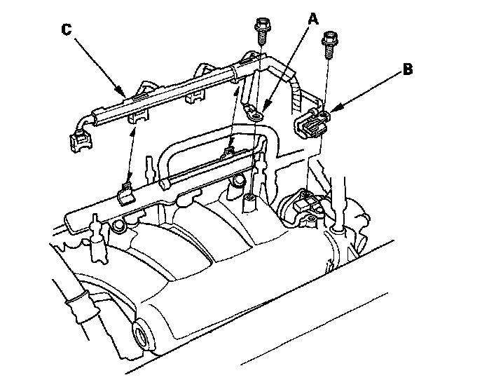
8. Install the harness holder (A) to the bracket, then install the ground cable (B) and harness clamp bracket (C).





9. Connect the following engine wire harness connectors, and install the wire harness clamps to the intake manifold:
^ Four fuel injector connectors
^ Manifold absolute pressure (MAP) sensor connector
^ Throttle actuator connector

10. Install the intake air duct (A), then install the vacuum hose (B) and breather pipe (C).





11. Install the engine cover.





12. Clean up any spilled engine coolant.
13. After installation, check that all tubes, hoses and connectors are installed correctly.
14. Refill the radiator with engine coolant, and bleed the air from the cooling system with the heater valve open.