Operation CHARM: Car repair manuals for everyone.
Manuals through 2025 now available!

Our trusted friends have launched a new website named LEMON, which has newer manuals. It also contains all the CHARM manuals.

LEMON is the spiritual successor to CHARM, I recommend you try it!

Link: lemon-manuals.la or lemon-manuals.org.ua

(Some people have issue connecting. LEMON is investigating. For now, use Firefox or change your DNS server)

Or, hide this message: temporarily or permanently

Compressor HVAC: Service and Repair

A/C Compressor Replacement

K20Z3 Engine

NOTE: Do not install an A/C compressor into a system unless you are completely sure that the system is free of contamination. Installing the A/C compressor into a contaminated system can result in premature A/C compressor failure.

1. If the A/C compressor is marginally operable, run the engine at idle speed, and let the air conditioning work for a few minutes, then shut the engine off.
2. Recover the refrigerant with a recovery/recycling/charging station.
3. Remove the front grille cover and the drive belt.
4. Remove the clips (A) and the bolts.






5. Remove the bolts, the connector (A), wire harness clips (B), and the bulkhead (C).






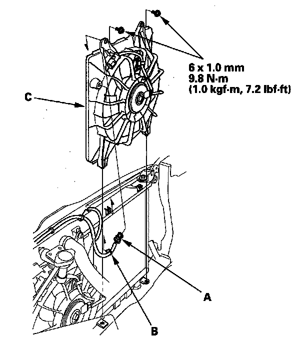
6. Disconnect the connector (A) from the A/C condenser fan motor. Remove the wire harness clip (B), the upper mounting bolts, and the A/C condenser fan shroud (C). Be careful not to damage the radiator fins when removing the A/C condenser fan shroud.






7. Remove the bolt.






8. Remove the splash shield.
9. Disconnect the connector (A). Remove the bolt and the nut, then disconnect the suction hose (B) and discharge hose (C) from the A/C compressor. Plug or cap the lines immediately after disconnecting them to avoid moisture and dust contamination.






10. Remove the mounting bolts and the A/C compressor (A). Be careful not to damage the radiator fins when removing the A/C compressor.






11. Install the compressor in the reverse order of removal, and note these items:
- Inspect the A/C lines for any signs of contamination.
- Replace the O-rings with new ones at each fitting, and apply a thin coat of refrigerant oil before installing them. Be sure to use the correct O-rings for HFC-134a (R-134a) to avoid leakage.
- Use refrigerant oil (SP-10) for HFC-134a SANDEN spiral type A/C compressor only.
- To avoid contamination, do not return the oil to the container once dispensed, and never mix it with other refrigerant oils.
- Immediately after using the oil, reinstall the cap on the container, and seal it to avoid moisture absorption.
- Do not spill the refrigerant oil on the vehicle; it may damage the paint; if the refrigerant oil contacts the paint, wash it off immediately.
- Charge the system.