Operation CHARM: Car repair manuals for everyone.
Manuals through 2025 now available!

Our trusted friends have launched a new website named LEMON, which has newer manuals. It also contains all the CHARM manuals.

LEMON is the spiritual successor to CHARM, I recommend you try it!

Link: lemon-manuals.la or lemon-manuals.org.ua

(Some people have issue connecting. LEMON is investigating. For now, use Firefox or change your DNS server)

Or, hide this message: temporarily or permanently

Condenser Fan: Service and Repair

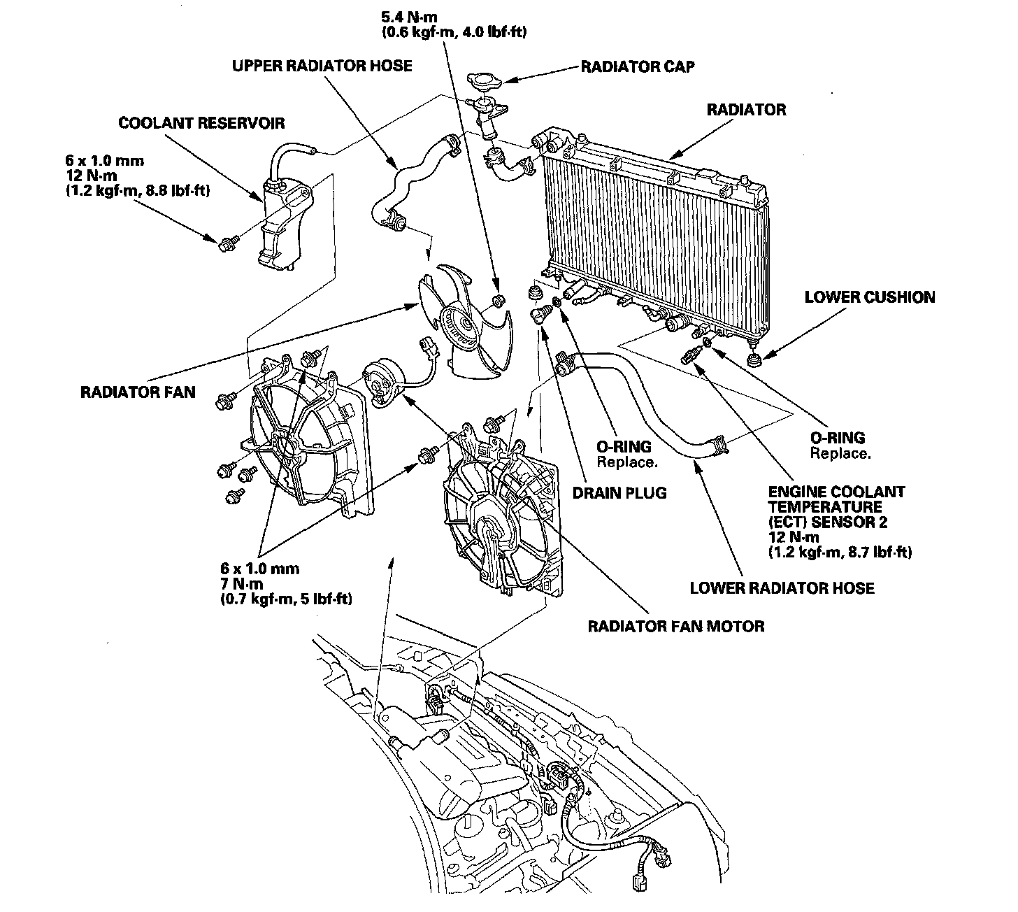
Radiator and Fan Replacement

1. Make sure you have the anti-theft code for the audio system. Make sure the ignition switch is OFF.
2. Disconnect the negative cable from the battery, then disconnect the positive cable.
3. Remove the battery.
4. Drain the engine coolant.
5. Remove the front bumper.
6. Remove the air cleaner assembly.
7. Remove the air cleaner housing bracket (A) and reserve tank (B).





8. Remove the hood latch cover (A) and connector (B).





9. Remove the front bulkhead center bracket (A).





10. With A/C: Remove the A/C condenser upper brackets (A) and clip (B).





11. Remove the radiator upper brackets (A).





12. Remove the air guide plate (A).





13. Disconnect the radiator upper hose (A) and the lower radiator hose (B).





14. Remove the splash shield.
15. Disconnect the engine coolant temperature (ETC) sensor 2 connector (A).





16. A/T model: Disconnect the automatic transmission fluid (ATF) cooler hoses (B).
17. With A/C: Disconnect the A/C compressor clutch connector (C), then loosen the A/C condenser fan shroud mounting bolt (D).
18. Without A/C: Disconnect the radiator fan motor connector (A).

With A/C: Disconnect the radiator fan motor connector (A) and A/C condenser fan motor connector (B).





19. Without A/C: Remove the radiator fan shroud (C).

With A/C: Remove the radiator fan shroud (C), then remove the A/C condenser fan shroud (D).

NOTE: Move the A/C condenser fan shroud toward the left side of the vehicle to allow for enough space to lift it up and away from the A/C condenser fan assembly.

20. Move the A/C condenser towards the front of the vehicle to allow for removal of the radiator. Then carefully pull the radiator forward and upward until it is completely removed.
21. Remove the remaining fan shroud components and hardware from the radiator.





22. Install the radiator in the reverse order of removal. Make sure the upper and lower cushions are set securely.
23. Install the bulkhead in the reverse order of removal. Apply body paint to the bulkhead mounting bolts.
24. Fill the radiator with engine coolant and bleed the air.