Operation CHARM: Car repair manuals for everyone.
Manuals through 2025 now available!

Our trusted friends have launched a new website named LEMON, which has newer manuals. It also contains all the CHARM manuals.

LEMON is the spiritual successor to CHARM, I recommend you try it!

Link: lemon-manuals.la or lemon-manuals.org.ua

(Some people have issue connecting. LEMON is investigating. For now, use Firefox or change your DNS server)

Or, hide this message: temporarily or permanently

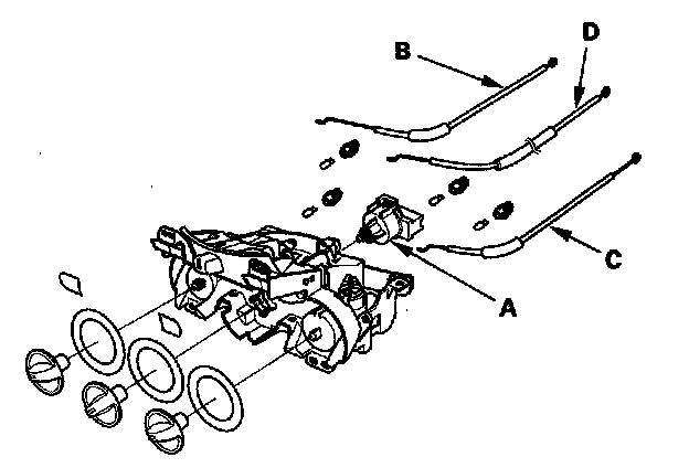
Heater Control Panel

Heater Control Panel Disassembly and Reassembly

1. Remove the heater control panel.
2. Remove the heater fan switch (A), the air mix control cable (B), the mode control cable (C), and the recirculation control cable (D).






3. Expand the cable stops (A) in the cable holder (B) using snap ring pliers, then pull out the control cable (C).






4. Hook the tip of the new control cable to the lever, then push the cable housing into the cable holder until it locks into place.
5. After assembly, check that the lever slides and the dial turns smoothly through the full stroke from right to left.