Operation CHARM: Car repair manuals for everyone.
Manuals through 2025 now available!

Our trusted friends have launched a new website named LEMON, which has newer manuals. It also contains all the CHARM manuals.

LEMON is the spiritual successor to CHARM, I recommend you try it!

Link: lemon-manuals.la or lemon-manuals.org.ua

(Some people have issue connecting. LEMON is investigating. For now, use Firefox or change your DNS server)

Or, hide this message: temporarily or permanently

Heater Core Case: Service and Repair

Heater Unit/Core Replacement

SRS components are located in this area. Review the SRS component locations and precautions and procedures before doing repairs or service.

1. Make sure you have the anti-theft codes for the audio system.
2. Disconnect the negative cable from the battery.
3. Disconnect the suction and receiver lines from the evaporator core.
4. When the engine is cool, drain the engine coolant from the radiator.
5. Slide the hose clamps (A) back, then disconnect the inlet heater hose (B) and the outlet heater hose (C) from the heater core. Engine coolant will run out when the hoses are disconnected; drain it into a clean drip pan. Be sure not to let coolant spill on the electrical parts or the painted surfaces. If any coolant spills, rinse it off immediately.






6. Remove the dashboard.
7. Disconnect the drain hose (A) with air conditioning. Remove the clips (B), the mounting bolts, the mounting nuts, and the blower-heater unit (C).






8. Remove the blower unit from the heater unit.
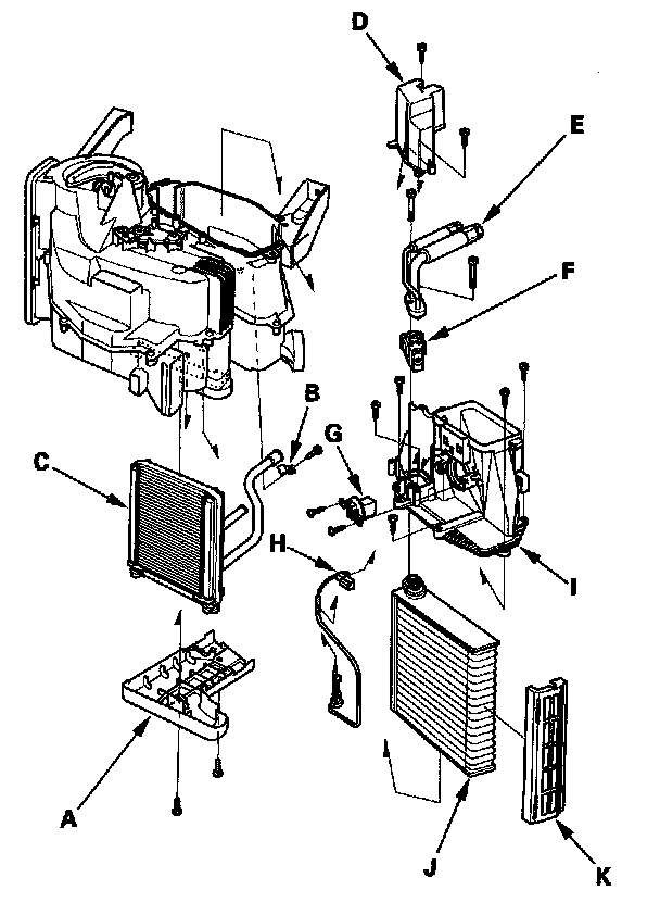
9. Remove the self-tapping screws and the pipe cover (A). Remove the self-tapping screw and the pipe clamp (B), then carefully pull out the heater core (C) so you don't bend the inlet and outlet pipes.






10. Remove the self-tapping screws and the pipe cover (D). Remove the bolts, the inlet and outlet pipes (E), and the expansion valve (F). If necessary, remove the self-tapping screws and the blower resistor (G). Remove the evaporator temperature sensor connector (H), then remove the self-tapping screws and the duct (I). Pull out the evaporator core (J) with the plate (K).
11. Install the heater core and the evaporator core in the reverse order of removal.
12. Install the heater unit in the reverse order of removal, and note these items:
- Do not interchange the inlet and outlet heater hoses, and install the hose clamps securely.
- With air conditioning; be sure to connect the drain hose securely.
- Adjust the air mix control cable, the mode control cable, and the recirculation control cable.
- Enter the anti-theft codes for the audio system.
- Set the clock.
- Refill the cooling system with engine coolant.
- Make sure that there is no coolant leakage.
- Make sure that there is no air leakage.