Operation CHARM: Car repair manuals for everyone.
Manuals through 2025 now available!

Our trusted friends have launched a new website named LEMON, which has newer manuals. It also contains all the CHARM manuals.

LEMON is the spiritual successor to CHARM, I recommend you try it!

Link: lemon-manuals.la or lemon-manuals.org.ua

(Some people have issue connecting. LEMON is investigating. For now, use Firefox or change your DNS server)

Or, hide this message: temporarily or permanently

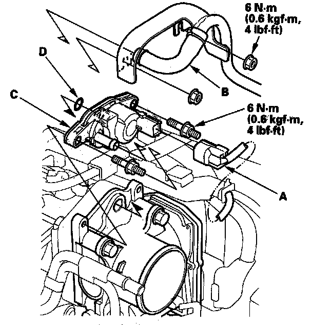
Canister Purge Control Valve: Service and Repair

EVAP Canister Purge Valve Replacement

1. Disconnect the EVAP canister purge valve connector (A), and hose (B).






2. Remove the EVAP canister purge valve (C).
3. Install the parts in the reverse order of removal with a new O-ring (D).