Operation CHARM: Car repair manuals for everyone.
Manuals through 2025 now available!

Our trusted friends have launched a new website named LEMON, which has newer manuals. It also contains all the CHARM manuals.

LEMON is the spiritual successor to CHARM, I recommend you try it!

Link: lemon-manuals.la or lemon-manuals.org.ua

(Some people have issue connecting. LEMON is investigating. For now, use Firefox or change your DNS server)

Or, hide this message: temporarily or permanently

Electronic Throttle Control Module: Service and Repair

Throttle Actuator Control Module Replacement

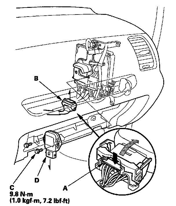
1. Remove the passenger's dashboard under cover, the side kick panel, and the glove box.
2. Push the tab (A), and disconnect the throttle actuator control module connector (B).






3. Remove the bolts (C), and the throttle actuator control module (D).
4. Install the parts in the reverse order of removal.