Operation CHARM: Car repair manuals for everyone.
Manuals through 2025 now available!

Our trusted friends have launched a new website named LEMON, which has newer manuals. It also contains all the CHARM manuals.

LEMON is the spiritual successor to CHARM, I recommend you try it!

Link: lemon-manuals.la or lemon-manuals.org.ua

(Some people have issue connecting. LEMON is investigating. For now, use Firefox or change your DNS server)

Or, hide this message: temporarily or permanently

Overhaul Specifications

Drive Plate





Tighten the six bolts in a crisscross pattern in at least two steps


Housing and Shaft Assemblies

Housing And Shaft:






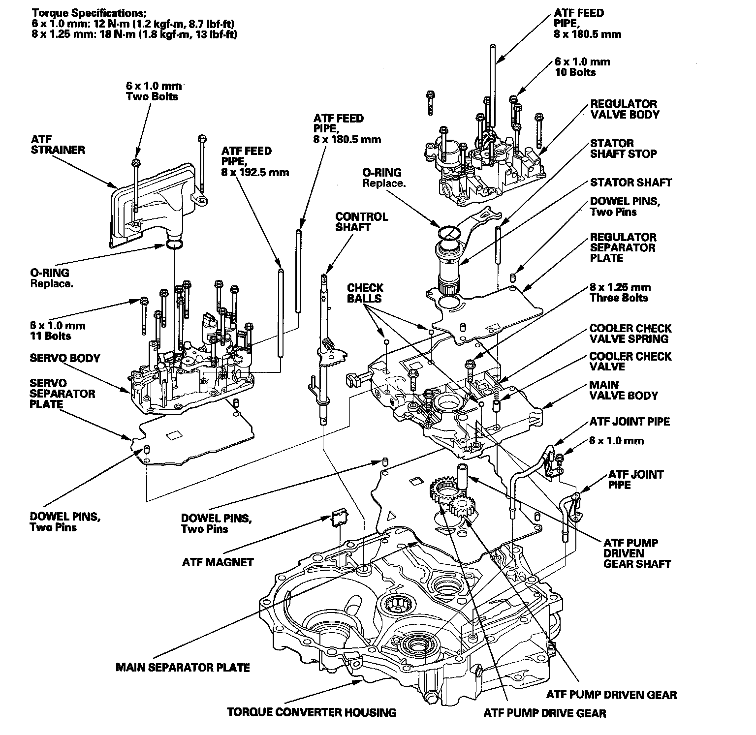
Valve Body

Valve Body:






For information regard Transmission Overhaul Specifications, please refer to Service and Repair, Procedures. Service and Repair