Operation CHARM: Car repair manuals for everyone.
Manuals through 2025 now available!

Our trusted friends have launched a new website named LEMON, which has newer manuals. It also contains all the CHARM manuals.

LEMON is the spiritual successor to CHARM, I recommend you try it!

Link: lemon-manuals.la or lemon-manuals.org.ua

(Some people have issue connecting. LEMON is investigating. For now, use Firefox or change your DNS server)

Or, hide this message: temporarily or permanently

Transmission Installation

Transmission Installation

Special Tools Required
^ Universal eyelet 07AAK-SNAA120
^ Fit engine hanger adapter VSB02C000026
^ Engine support hanger, A and Reds AAR-T-12566

These special tools are available through the Honda Tool and Equipment Program 1-888-424-6857.

NOTE: Use fender covers to avoid damaging painted surfaces.

1. Install the torque converter (A) on the mainshaft (B) with the new O-ring (C).





2. Install the 14 x 20 mm dowel pins (D) in the torque converter housing.
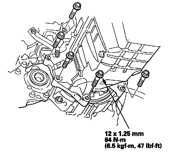
3. Install the rear mount base bracket.





4. Install the rear mount/bracket.





5. Place the transmission on the jack, and raise the transmission to the engine level.
6. Install the rear and lower transmission housing mounting bolts.





7. Remove the jack from under the transmission.
8. Install the transmission mount bracket (A), and install the transmission mount bolt (B) loosely.





9. Install and tighten the bracket bolt and nuts to the specified torque, then tighten the mount bolt to the specified torque.
10. Install the transmission ground cable terminal (C) and the breather tube (D).
11. Install the headlight harness cover.
12. Support the front subframe with a jack, and lift it up to the body.





13. Install the front subframe on the body, and install the steering gearbox on the subframe, then tighten the new mounting bolts (4).





14. Install the rear mount bracket bolts.





15. Install the steering gearbox mounting bolts with the bracket and the stiffener.





16. Install the steering gearbox mounting bolts with its bracket.





17. Attach the torque converter to the drive plate with eight bolts (A). Rotate the crankshaft pulley as necessary to tighten the bolts to 1/2 of the specified torque, then to the final torque, in a crisscross pattern. After tightening the last bolt, check that the crankshaft rotates freely. Then install the torque converter cover (B).





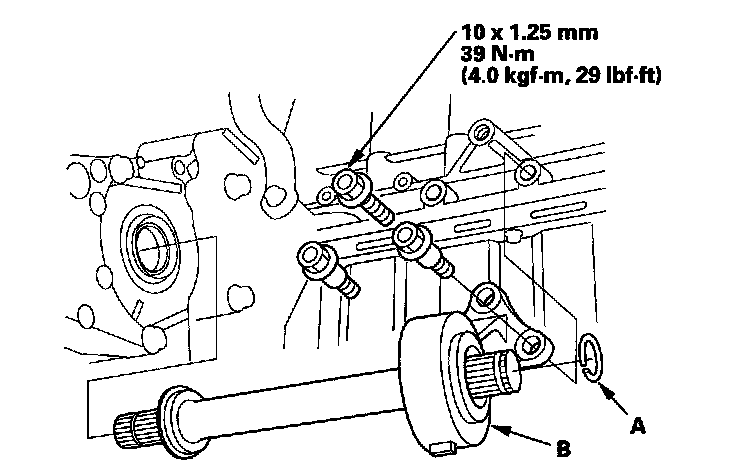
18. Install the new set ring (A) on the intermediate shaft (B).





19. Clean the areas where the intermediate shaft contact the transmission (differential) with the solvent, and dry with the compressed air. Apply ATF to the intermediate shaft splines, then install the intermediate shaft. Be sure not to allow dust or other foreign particles to enter the transmission.
20. Apply grease to the contact area between the driveshaft and the wheel bearing.
21. Install new set ring on the driveshaft.





22. Clean the areas where the driveshaft contacts the transmission (differential) with the solvent, and dry with compressed air. Insert the driveshaft into the differential and intermediate shaft until the set ring locks in the groove.
23. Connect the lower arm ball joints (A) to the knuckles (B), and install the castle nuts (C), then secure them with the spring clips (D).





24. Connect the tie-rod end ball joints (E) to the knuckles, and install the ball joint nuts (F), then secure them with new cotter pins (G).
25. Install the stabilizer link (H) to the front stabilizer (I). Insert a 5 mm Allen wrench (J) in the ends of the ball joint pins (K), and tighten the nuts (L).
26. Install the driveshaft (M) through the hub, and install the new spindle nuts on the driveshafts. Stake the spindle nuts into the driveshafts.
27. Install the control lever (A) over the selector control shaft (B). Secure the control lever with the new lock washer (C) and the lock bolt (D), then bend the lock tab of the lock washer against the bolt head.





28. Install the shift cable holder (E), then install the shift cable cover (F).
29. Install the splash shield.
30. Install the front wheels.
31. Install the front transmission housing mounting bolts.





32. Remove the engine support hanger and the universal eyelet.
33. Install the air cleaner bracket.





34. Install the ATF cooler hoses (A).





35. Connect the shift solenoid harness connector (B) and the 3rd clutch transmission fluid pressure switch connector (C).
36. Install the harness clamps (D).
37. Connect the transmission range switch harness connector (A), the 2nd clutch transmission fluid pressure switch connector (B), the input shaft (mainshaft) speed sensor connector (C), and the output shaft (countershaft) speed sensor connector (D).





38. Install the A/F sensor connector (E) to the clamp bracket.
39. Install the harness clamp (F).
40. Connect the A/T clutch pressure control solenoid valve A connector, the solenoid valve B connector, and the solenoid valve C connector.





41. Install the clamp (D), then install the mounting bolts securing the harness cover (E).
42. Install the harness clamp (F).
43. Install the battery base, then install the harness clamps to the battery base.
44. Install the battery tray and the battery, then secure the battery with its hold-down bracket.
45. Refill the transmission with ATF.
46. Connect the battery terminals, and apply grease around the battery terminals to prevent corrosion.
47. Install the air cleaner assembly.
48. Set the parking brake. Start the engine, and shift the transmission through all positions three times.
49. Check the shift lever operation, the A/T gear position indicator operation, and the shift cable adjustment.
50. Check and adjust the front wheel alignment.
51. Start the engine in P or N, and warm it up to normal operating temperature (the radiator fan comes on). Turn off the engine, and check the ATF level.
52. Enter the anti-theft code for the audio system. Set the clock.
53. Road-test the vehicle.