Operation CHARM: Car repair manuals for everyone.
Manuals through 2025 now available!

Our trusted friends have launched a new website named LEMON, which has newer manuals. It also contains all the CHARM manuals.

LEMON is the spiritual successor to CHARM, I recommend you try it!

Link: lemon-manuals.la or lemon-manuals.org.ua

(Some people have issue connecting. LEMON is investigating. For now, use Firefox or change your DNS server)

Or, hide this message: temporarily or permanently

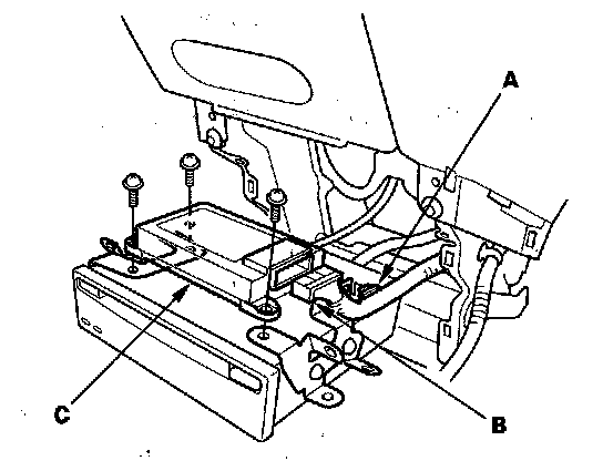
HandsFreeLink Control Unit Removal/Installation

HandsFreeLink Control Unit Removal/Installation

SRS components are located in this area. Review the SRS component locations, and the precautions and procedures before doing repairs or service

NOTE:
- Put on gloves to protect your hands.
- Take care not to scratch the dashboard and related parts.

1. Remove the center lower cover.
2. Remove the volts and pull the DVD player unit (A) down.






3. Remove the harness clip (A) and disconnect the connector (B).






4. Remove the screws and and HandsFreeLink control unit (C).
5. Install the HandsFreeLink control unit in the reverse order of removal.