Operation CHARM: Car repair manuals for everyone.
Manuals through 2025 now available!

Our trusted friends have launched a new website named LEMON, which has newer manuals. It also contains all the CHARM manuals.

LEMON is the spiritual successor to CHARM, I recommend you try it!

Link: lemon-manuals.la or lemon-manuals.org.ua

(Some people have issue connecting. LEMON is investigating. For now, use Firefox or change your DNS server)

Or, hide this message: temporarily or permanently

Entertainment System Control Panel: Service and Repair

Rear Controller and Screen Removal/Installation

NOTE:
- Put on gloves to protect your hands.
- Take care not to scratch the headliner and display cover.

1. Remove the display cover.






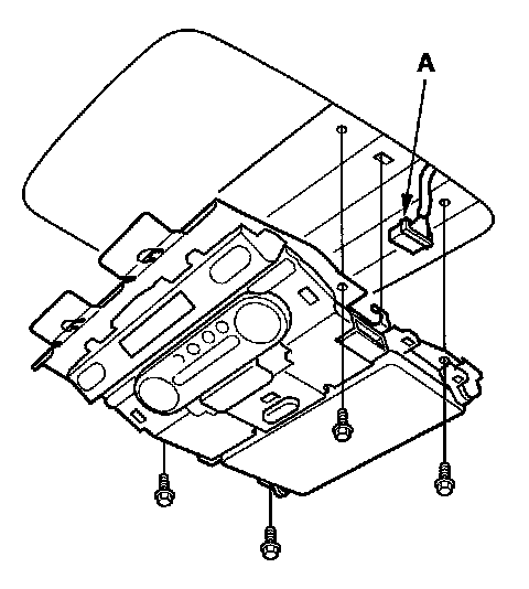
2. Remove the mounting bolts, disconnect the connector (A) from the rear controller and screen.






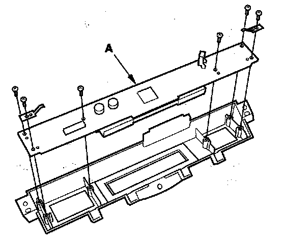
3. Remove the wireless remote control (A).






4. Remove the screws from the rear indicator (B).
5. Disconnect the cable (C) from the rear indicator.
6. Remove the screws, then remove the rear indicator printed circuit board (A).






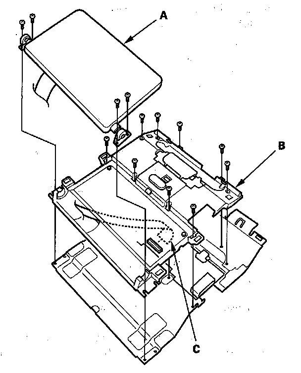
7. Remove the screws, then remove the screen (A) and base (B). Disconnect the cable (C).






8. Remove the screws and lock switches (A).






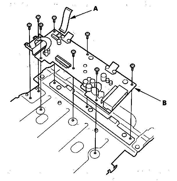
9. Disconnect the cable (A), then remove the screws and the rear control printed circuit board (B).






10. Install the parts in the reverse order of removal, and make sure the rear controller and screen connector is plugged in properly.