Operation CHARM: Car repair manuals for everyone.
Manuals through 2025 now available!

Our trusted friends have launched a new website named LEMON, which has newer manuals. It also contains all the CHARM manuals.

LEMON is the spiritual successor to CHARM, I recommend you try it!

Link: lemon-manuals.la or lemon-manuals.org.ua

(Some people have issue connecting. LEMON is investigating. For now, use Firefox or change your DNS server)

Or, hide this message: temporarily or permanently

Front Seat Disassembly/Reassembly

Front Seat Disassembly/Reassembly

Special Tools Required
KTC trim tool set SOJATP2014 *
* Available through the American Honda Tool and Equipment Program.

SRS components are located in this area. Review the SRS component locations and the precautions and procedures before doing repairs or service.

- Check the operation of the driver's seat position sensor after any of these actions:
- Driver's seat position sensor replacement
- Cover plate (front side of driver's seat slide rail) replacement

- Calibrate the front passenger's weight sensor unit ('07 model) or ODS unit ('08 model) after any of these actions:
- Front passenger's seat replacement (including any seat components)
- Replacement of the seat weight sensors
- After a vehicle collision

NOTE:
- Use the appropriate tool from the KTC trim tool set to avoid damage when prying components.
- Take care not to tear the seams or damage the seat covers.
- Put on gloves to protect your hands.

1. Remove the front seat.
2. Remove the clips and release the hooks (A), then remove the inner cover (B) from both sides.









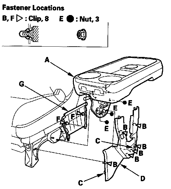
3. Passenger's seat: Remove the center table (A).
1. Detach the clips (B), and release the hooks (C), then remove the inner riser cover (D).
2. Remove the nuts (E), then remove the center table.
3. Detach the clips (F), then remove the center table inner cover (G) from the center table.






4. Manual seat: Remove the center cover (A).
1. Remove the cap (B), then remove the screw (C).
2. Remove the clips (D), and detach the clip (E).
3. Pull up the cover, then release the hooks (F, G).












5. Power seat: Remove the center cover (A).
1. Remove the screw.
2. Pull up the cover, then release the hooks (B, C, D, E).









6. Remove the screw and release the hooks (A), then remove the front cover (B).









7. Remove the recline cover (A).
1. Gently pull out along the bottom to release the hooks (B), then remove the cap (C).
2. Remove the bolts (D), then remove the height handle (E) and screw (F).
3. Remove the recline knob (G) and clips (H).
4. Detach the clip (I), and release the hooks (J, K), then remove the recline cover.












8. Remove the recline cover (A).
1. Remove the screws.
2. Pull up the cover, then release the hooks (B, C).
3. Disconnect the recline switch and up-down switch connector (D).
4. Detach the harness clips (E) from the recline cover.









9. Remove the front outer seat track cover (A) and front inner seat track cover (B).









10. Driver's 8-way power seat: Remove the recline lower cover (A) and center lower cover (B).






11. '07 model passenger's manual seat: Detach the rod fastener (A), then remove the recline rod (B).






12. If necessary, detach the clips, and release the hooks (A), then remove the riser cover (B).






13. From under the seat cushion, disconnect the recline motor subharness connector (A), and if equipped, the seat-back heater connector (B) on the driver's 8-way power seat. Disconnect the side airbag connector (C), the OPDS/ODS unit connector (D) on the passenger's seat, and detach harness clips (E). Release the hook springs (F) and seat cushion cover (G) from the seat cushion frame spring (H), then pull the cover back, and release the wire ties (I).





















14. Remove the seat-back (A).
1. Remove the bolts.
2. Lift the seat-back, then pull the harnesses (B), out through the hole in the seat cushion trim cover.






15. Assemble the seat-back and seat cushion in the reverse order of disassembly, and note these items:
- Check if the clips are damaged or stress-whitened, and if necessary, replace them with new ones.
- Push the clips into place securely.
- Apply multipurpose grease to the moving parts of the seat track.
- To prevent wrinkles in the seat cushion cover, stretch the material evenly over the pad.