Operation CHARM: Car repair manuals for everyone.
Manuals through 2025 now available!

Our trusted friends have launched a new website named LEMON, which has newer manuals. It also contains all the CHARM manuals.

LEMON is the spiritual successor to CHARM, I recommend you try it!

Link: lemon-manuals.la or lemon-manuals.org.ua

(Some people have issue connecting. LEMON is investigating. For now, use Firefox or change your DNS server)

Or, hide this message: temporarily or permanently

Third Row Seat Disassembly/Reassembly

Third Row Seat Disassembly/Reassembly

Special Tools Required
KTC trim tool set SOJATP2014 *
* Available through the American Honda Tool and Equipment Program.

NOTE:
- Take care not to tear the seams or damage the seat covers.
- Use the appropriate tool from the KTC trim tool set to avoid damage when prying components.
- Put on gloves to protect your hands.

1. Remove the third row seat.
2. Remove the head restraint.
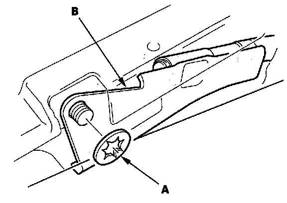
3. Remove the seat-back knob (A).
1. With a trim tool, pry the lower clips up.
2. Pull the lower part of the knob up, and release the upper hook (B) from the frame.
3. Disconnect the seat-back cable (C).






4. Pry up the cap (A), and remove the screw, then remove the cushion hook (B). Release the hook (C), then remove the cushion hook trim (D).






5. Release the seat cushion cover clips (A, B) around the recline outer cover (C).






6. Remove the screws, then remove the outer recline cover (A). The left outer recline cover is shown; the right outer recline cover is similar.






7. Release the bottom hook (A), and unzip the seat-back cover (B).









8. Release the seat cushion cover clips. The left seat-back is shown; the right seat-back is similar.






9. Pull up the seat back cover (A), and release the book strips (B).









10. Pinch the tabs on the ends of the head restraint guides (A), and remove the guides from the seat-back.






11. Left third row seat: Remove the bolts (A; B) and bushing (C), then separate the seat-back (D) and seat cushion (E). Take care not to kink the cables.






12. Pass the straps (A) in the seat-back cover through each slots (B), then remove the seat-back cover/pad (C) from the seat-back frame (D).









13. Remove the screws, then remove the grip trim (A) from the cushion frame.






14. Pry up the cushion utility hook caps (A) and remove the screws, then remove the cushion utility hook trims (B) from the cushion utility hooks (C).






15. Detach all of the clips, then remove the left foot cover (A) or right foot cover (B).









16. Release the lock washer (A), then remove the seat cushion rod (B) from the seat foot.






17. Release the clips (A, B, C). Remove over the seat cushion mat (D).









18. Release the hook strips (A) from the cushion frame (B), then loosen the seat cushion cover (C).









19. Remove the seat cushion cover/pad (A) from the cushion frame (B).









20. Remove the screw, then remove the plate (A), spring (B), and collar (C) from the end of the seat cushion rod (D).






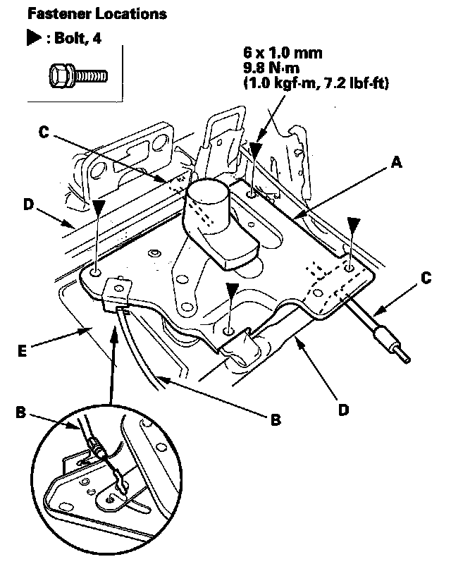
21. Remove the link unit (A).
1. Remove the bolts securing the link unit.
2. Disconnect the cable (B).
3. Remove the unit while passing each rod (C) through between the frame pipe (D) arid the frame (E).






22. Release the wire tie (A) fastening the left seat-back recline cable (B) or right seat-back recline cable A (C) on the seat cushion frame (D).









23. Remove the bolts, then separate the right seat-back frame (A) and right seat cushion frame (B).






24. Reassemble the seats in the reverse order of removal, and note these items:
- Make sure the latch cables and recline cables are connected securely.
- Make sure the third row seat latches and unlatches properly.
- Check the seat-back recline operation.
- To prevent wrinkles when installing a seat-back cover, make sure the material is stretched evenly over the pad before securing the hook and clips.
- Left third row seat: Replace the pivot bushing shown in step 11 with a new one.