Operation CHARM: Car repair manuals for everyone.
Manuals through 2025 now available!

Our trusted friends have launched a new website named LEMON, which has newer manuals. It also contains all the CHARM manuals.

LEMON is the spiritual successor to CHARM, I recommend you try it!

Link: lemon-manuals.la or lemon-manuals.org.ua

(Some people have issue connecting. LEMON is investigating. For now, use Firefox or change your DNS server)

Or, hide this message: temporarily or permanently

Engine Removal

Engine Mechanical

Engine Assembly

Engine Removal

Special Tools Required
^ Engine support hanger, A and Reds AAR-T1256
^ 2008 V6 Attachment arm SIL02C000033
^ Front subframe adapter VSB02C000016
^ Engine hanger balance bar VSB02C000019
^ Engine hanger adapter VSB02C000022

These special tools are available through Honda Tool and Equipment Program, 888-424-6857.

NOTE:
^ Use fender covers to avoid damaging painted surfaces.
^ To avoid damaging the wires and terminals, unplug the wiring connectors carefully while holding the connector portion.
^ Mark all wiring and hoses to avoid misconnection. Also, be sure that they do not contact other wiring or hoses, or interfere with other parts.

1. Secure the hood in the wide open position by using a support rod as shown.





*:This Illustration shows '07 model.

2. Make sure you have the anti-theft code for the audio system and the navigation system (if equipped). Make sure the ignition switch is in LOCK (0).
3. Drain the power steering system fluid.
4. Relieve the fuel pressure.
5. Disconnect the negative cable from the battery, then disconnect the positive cable.
6. '07 model: Remove the front grill cover.
7. '08 model: Remove the front bumper.
8. Remove the battery.
9. Remove the engine cover.





10. Remove the breather pipe (A), then remove the intake air duct (B).





11. Remove the air cleaner assembly.
12. Remove the harness clamps (A), the intake air duct covet (B), and the bolt (C) holding the intake air duct.





13. Remove the three mounting bolts (D) and loosen the mounting bolt (E), then remove the battery base (F).
14. '08 model: Remove the ground cable (G).
15. Remove the harness clamp (A) and the starter cable (B) from the B terminal.





16. Remove the quick-connect fitting cover (A), then disconnect the fuel feed hose (B).





17. Remove the brake booster vacuum hose (A) and the evaporative emission (EVAP) canister hose (B).





18. J35A6 engine: Remove the vacuum hose (C).
19. Remove the steering wheel.
20. Remove the driver's side console lower panel, and pull the carpet to expose the steering joint cover.
21. Remove the steering joint cover (A).





22. Make a reference mark (B) across the steering joint and the steering gearbox pinion shaft. Remove the steering joint bolt (C), and disconnect the steering joint from the steering gearbox pinion shaft (D).
23. Remove the powertrain control module (PCM) cover (A).





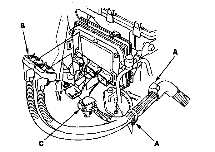
24. Remove the harness clamps (A), then disconnect the engine wire harness connectors (B) and the cabin wire harness connector (C) on the right side of the engine compartment.





25. J35A6, '07 model J35A7 engines: Remove the harness clamps (A), then remove the alternator cable (B).





26. '08 model J35A7 engine: Remove the harness clamp (A), then disconnect the battery cable (B) from the under-hood fuse/relay box.





27. Remove the drive belt.
28. Remove the power steering (P/S) pump inlet hose (A) and the P/S pump outlet hose (B) from the P/S pump, then plug the hoses and the P/S pump.





29. Remove the P/S hose bracket (C) from the cylinder head cover.
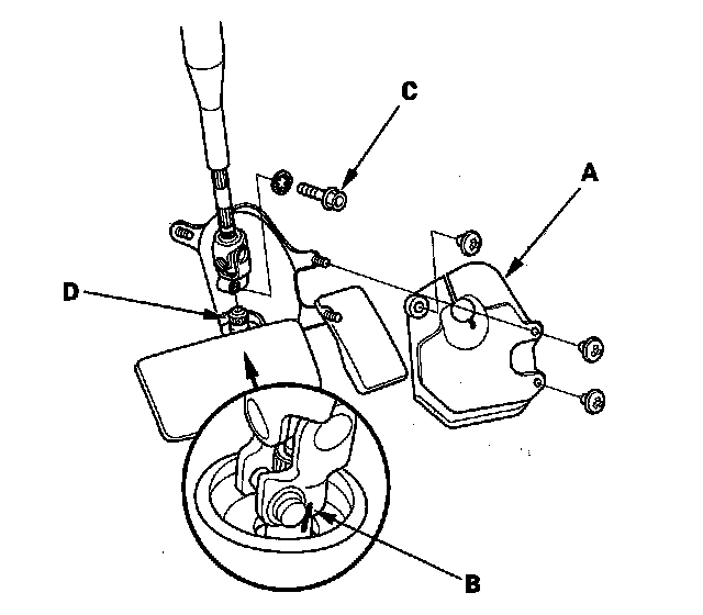
30. Remove the shift cable. Do not bend the shift cable excessively.
31. Remove the radiator cap.
32. Raise the vehicle on the lift.
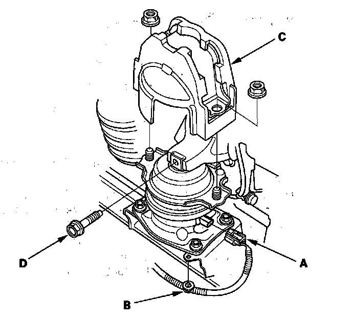
33. Remove the front wheels.
34. Remove the splash shield.





35. Loosen the drain plug in the radiator, and drain the engine coolant.
36. Drain the automatic transmission fluid (ATF).
37. Drain the engine oil.
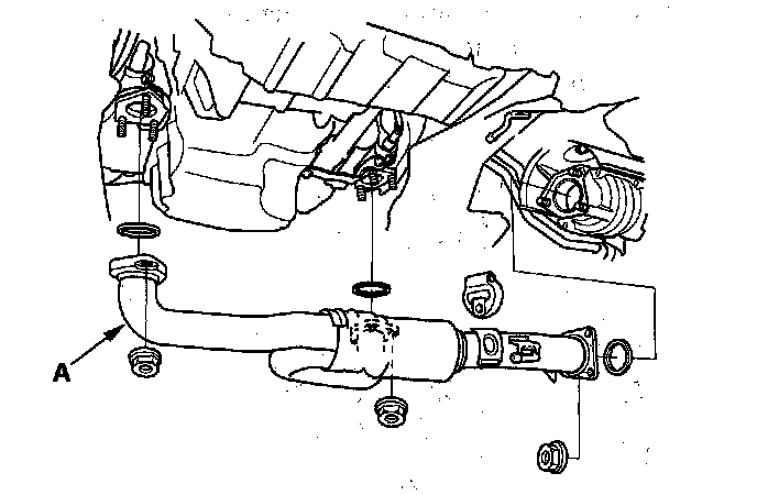
38. Remove exhaust pipe A.





39. Disconnect the stabilizer links.
40. Separate the tie-rod end ball joints from the knuckles.
41. Separate the knuckles from the lower arms.
42. Remove the driveshafts. Coat all precision-finished surfaces with new engine oil. Tie plastic bags over the driveshaft ends.
43. Disconnect the P/S hose (A), then plug the line and the hose.





44. Disconnect the power steering pressure switch connector (A).





45. Remove the nuts securing the lower transmission front mount and the lower transmission rear mount.





46. Lower the vehicle on the lift.
47. Disconnect the fan motor connector (A) and remove the coolant reservoir (B). Wipe up any spilled engine coolant immediately.





48. Remove the two upper bolts (C), loosen the two lower bolts (D), then remove the A/C condenser fan shroud.
49. Remove the upper radiator hose (A) and the lower radiator hose (B).





50. Remove the heater hoses.





51. J35A6, '07 model J35A7 engines: Remove the ground cables (A).





52. '08 model J35A7 engine: Remove the ground cable (A), then remove the harness clamp (B).





53. Remove the ATF cooler hoses (A), then plug the ATF cooler hoses and the lines.





54. Remove the radiator.
55. Disconnect the A/C compressor clutch connector (A), then remove the A/C compressor (B) without disconnecting the A/C hoses.





56. Hang the A/C compressor with a rope as shown.





57. '08 model J35A7 engine: Remove the harness holder and the connectors from the front cylinder head.
58. Remove the harness bracket from the rear cylinder head.
59. Install the engine hanger adapters (VSB02C000022) on the end of the engine support beams, then install the engine support hanger (AAR-T1256) with the adapters to the vehicle.





60. Lift and support the engine with the engine support hanger and the engine hanger balance bar (VSB02C000019). Attach the front arm (A) to the front cylinder head with several spacers (B) and the 10 x 1.25 mm bolt (C). Attach the 2008 V6 attachment arm (SIL02C000033) (D) to the rear cylinder head with a 8 x 1.25 mm bolt (E), then attach the rear arm (F) to the 2008 V6 attachment arm.
61. J35A6 engine: Remove the front engine mount control solenoid valve tube (A) and the front engine mount stop (B), then remove the front engine mount bolt (C).





62. J35A7 engine: Disconnect the front active control engine mount (ACM) actuator connector (A) and the harness clamp (B), remove the front engine mount stop (C), then remove the front engine mount bolt (D).





*:This Illustration shows '07 model.

63. Raise the vehicle on the lift.
64. J35A6 engine: Remove the heat shield (A) and the rear engine mount bolts (B).





65. J35A7 engine: Disconnect the rear ACM actuator connector (A), remove the rear engine mount stop (B), then remove the rear engine mount bolt (C).





66. Make the appropriate reference lines (A) at the both side of the front subframe (B) that line up with the edge (C) on the body.





67. Attach the front subframe adapter (VSB02C000016) to the subframe (A) by hanging the belt (B) over the front of the subframe, then secure the belt with its retaining pin (C).





68. Raise the jack, and line up the slots in the front subframe adapter arms with the bolt holes on the corner of the jack base, then securely attach them with four bolts.
69. Remove the six 12 x 1.25 mm bolts (A) securing the subframe stiffeners (B), the four subframe mounting bolts (C), and the stiffeners, then lower the front subframe (D).





70. Lower the vehicle on the lift.
71. Attach a chain hoist (A) to the engine hook (B) and the transmission hook (C), then lift up the engine/transmission until it is securely supported by the chain hoist, and remove the engine support hanger and the engine hanger adapters.





72. Remove the mounting bolts from the upper half of the side engine mount bracket.





73. Check that the engine/transmission is completely free of vacuum hoses, fuel and coolant hoses, and electrical wiring.
74. Slowly lower the engine/transmission about 150 mm (6 in.). Check once again that all hoses and electrical wiring are disconnected and free from the engine/transmission, then lower it all the way and support it.
75. Disconnect the chain hoist from the engine/transmission.
76. Raise the vehicle, and remove the engine/transmission from under the vehicle.