Operation CHARM: Car repair manuals for everyone.
Manuals through 2025 now available!

Our trusted friends have launched a new website named LEMON, which has newer manuals. It also contains all the CHARM manuals.

LEMON is the spiritual successor to CHARM, I recommend you try it!

Link: lemon-manuals.la or lemon-manuals.org.ua

(Some people have issue connecting. LEMON is investigating. For now, use Firefox or change your DNS server)

Or, hide this message: temporarily or permanently

Climate Control

Blower Unit Removal/Installation

1. Remove the glove box housing.
2. Remove the self-tapping screws, the bolts and the glove box frame (A).






3. Cut the plastic cross brace (A) in the glove box opening with diagonal cutters in the area shown, and discard it.






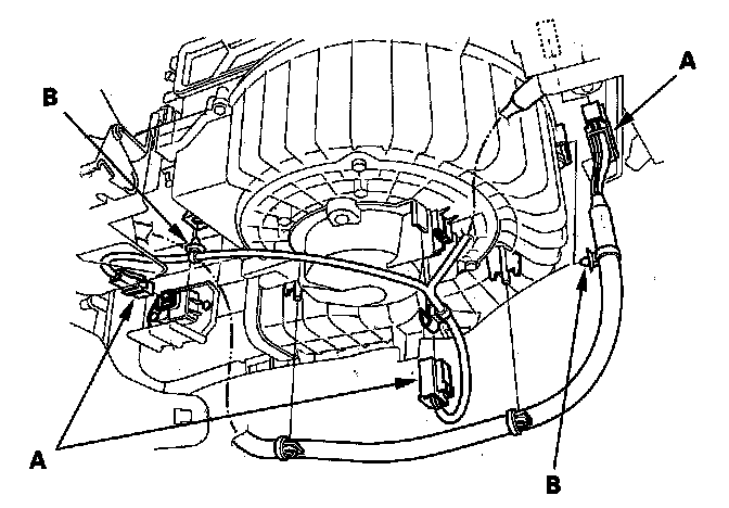
4. Disconnect the connectors (A) from the front climate control unit, the front blower motor, and the front power transistor, then remove the wire harness clips (B).






5. Disconnect the connector (A) from the recirculation control motor, then remove the bolts, the mounting nuts and the blower unit (B).






6. Install the unit in the reverse order of removal. Make sure that there is no air leakage.