Operation CHARM: Car repair manuals for everyone.
Manuals through 2025 now available!

Our trusted friends have launched a new website named LEMON, which has newer manuals. It also contains all the CHARM manuals.

LEMON is the spiritual successor to CHARM, I recommend you try it!

Link: lemon-manuals.la or lemon-manuals.org.ua

(Some people have issue connecting. LEMON is investigating. For now, use Firefox or change your DNS server)

Or, hide this message: temporarily or permanently

Heater Core Case: Service and Repair

Heater Unit/Core Replacement

SRS components are located in this area. Review the SRS component locations and the precautions and procedures before doing repairs or service.

1. Make sure you have the anti-theft codes for the audio system and the navigation system (if equipped).
2. Make sure the ignition is in LOCK (0), then disconnect the negative cable from the battery.
3. Disconnect the suction and receiver lines from the front evaporator core.
4. From under the hood, open the cable clamp (A), then disconnect the heater valve cable (B) from the heater valve arm (C). Turn the heater valve arm to the fully opened position as shown.






5. When the engine is cool, drain the engine coolant from the radiator.
6. Slide the hose clamps (A) back. Remove the nut and the water valve (B), then disconnect the inlet heater hose (C) and the outlet heater hose (D) from the heater unit. Engine coolant will run out when the hoses are disconnected; drain it into a clean drip pan. Be sure not to let coolant spill on the electrical parts or the painted surfaces. If any coolant spills, rinse it off immediately.






7. Remove the mounting nut from the heater unit. Take care not to damage or bend the fuel lines and the brake lines, etc.






8. Remove the dashboard.
9. Disconnect the connectors (A) from the front blower motor and the front power transistor, then remove the wire harness clips (B).






10. Disconnect the connectors (A) from the front mode control motor and the recirculation control motor, then remove the wire harness clips (B) and the connector clip (C).






11. Disconnect the connectors (A) from the evaporator sensor and the front air mix control motor, then remove the wire harness clips (B) and the wire harness (C).






12. Remove the drain hose (A), then remove the nuts and the blower-heater unit (B).






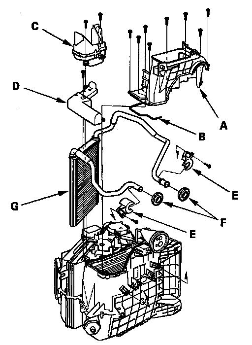
13. Remove the self-tapping screws, the joint duct (A), and seal (B). Remove the self-tapping screws, then remove the passenger's heater outlet (C), and the heater core cover (D). Remove the self-tapping screws, the heater pipe brackets (E), the grommets (F), and carefully pull out the heater core (G) so you don't bend the inlet and outlet pipes.






14. Install the heater core in the reverse order of removal.
15. Install the heater unit in the reverse order of removal, and note these items:
- Do not interchange the inlet and outlet heater hoses, and install the hose clamps securely.
- Refill the cooling system with engine coolant.
- Adjust the heater valve cable.
- Make sure that there is no coolant leakage.
- Make sure that there is no air leakage.
- Refer to front evaporator core replacement.
- Enter the anti-theft codes for the audio system and the navigation system (if equipped).
- Set the clock (on vehicles without navigation).