Operation CHARM: Car repair manuals for everyone.
Manuals through 2025 now available!

Our trusted friends have launched a new website named LEMON, which has newer manuals. It also contains all the CHARM manuals.

LEMON is the spiritual successor to CHARM, I recommend you try it!

Link: lemon-manuals.la or lemon-manuals.org.ua

(Some people have issue connecting. LEMON is investigating. For now, use Firefox or change your DNS server)

Or, hide this message: temporarily or permanently

Shift Solenoid Valve Test/Replacement

Shift Solenoid Valve Test/Replacement

1. Connect the HDS to the DLC (A) located under the driver's side of the dashboard.





2. Make sure the HDS communicates with the PCM. If it does not, go to the DLC circuit troubleshooting.
3. Select Shift Solenoid Valve A, B, C, and D Test in the Miscellaneous Test Menu on the HDS.
4. Check that shift solenoid valve A, B, C, and D operate with the HDS. A clicking sound should be heard.

^ If a clicking sound is heard, the valves are OK. The solenoid test is finished.
^ If no clicking sound is heard, go to step 5.

5. Remove the solenoid valve, and test the solenoid valve.
6. Make sure you have the anti-theft code for the audio system and the navigation system (if equipped).
7. Disconnect the negative cable from the battery, then disconnect the positive cable.
8. Remove the battery hold-down bracket, the battery, and the battery tray.
9. Remove the engine cover and the air cleaner assembly.
10. Remove the battery base.
11. Remove the nuts securing the shift cable bracket (A).





12. Remove the spring clip (B) and the control pin (C), then separate the shift cable end (D) from the control lever (E).
13. Remove the bolt securing the harness cover (A).





14. Remove the harness cover/clamp bracket (B), disconnect the 4th clutch transmission fluid pressure switch connector (C), then remove the harness cover from the bracket.
15. Disconnect the A/T clutch pressure control solenoid valve A connector (D), the A/T clutch pressure control solenoid valve B connector (E), the shift solenoid harness connector, the transmission range switch connector, the ATF temperature sensor connector, the output shaft (countershaft) speed sensor connector, the input shaft (mainshaft) speed sensor connector, and the 3rd clutch transmission fluid pressure switch connector.
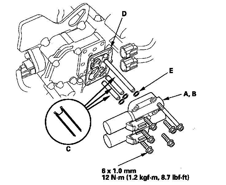
16. Remove A/T clutch pressure control solenoid valves A and B, the ATF pipes (C), and the gasket (D). Note the lengths and locations of the ATF pipes.





17. Replace the gasket and the O-rings (E) with new ones when installing A/T clutch pressure control solenoid valves A and B.
18. Remove the solenoid, valve cover (A), the dowel pins (B), and the gasket (C).





19. Replace the gasket with a new one when installing the solenoid cover.
20. Disconnect shift solenoid valve A connector (A), shift solenoid valve B connector (B), shift solenoid valve C connector (C), and shift solenoid valve D connector (D).





21. Measure the resistance of each solenoid valve between the connector terminal and body ground.

Standard: 12 - 25 ohms
^ Replace the solenoid valve if the resistance is out of standard.
^ If the resistance is within the standard, go to step 22.

22. Connect the negative battery terminal to body ground, and connect the positive battery terminal to each solenoid terminal individually.

^ If a clicking sound is heard, go to step 23 and replace the solenoid harness.
^ If no clicking sound is heard, go to step 24 and replace the shift solenoid valve.

23. Remove the solenoid harness, and install a new O-ring (A) on the shift solenoid harness connector (B), and install the connector in the transmission housing.





24. Remove the mounting bolts, then remove the solenoid valves.





25. Install new O-rings (E) on each solenoid valves.

NOTE: A new solenoid valve comes with new O-rings. If you install a new solenoid valve, use the O-rings provided on it.

26. Install shift solenoid valve D (black connector) by holding the shift solenoid valve body; make sure the mounting bracket contacts the accumulator body.

NOTE: Do not hold the solenoid valve connector to install the solenoid valve. Be sure to hold the solenoid valve body.

27. Install shift solenoid valve A (black connector) by holding the solenoid valve body; make sure the mounting bracket contacts the accumulator body.
28. Install shift solenoid valve C (brown connector) by holding the shift solenoid valve body; make sure the mounting bracket contacts the bracket of torque converter clutch solenoid valve.

NOTE: Do not install shift solenoid valve C before installing shift solenoid valve A. If shift solenoid valve C is installed before installing shift solenoid valve A, it may damage the hydraulic control system.

29. Install shift solenoid valve B (brown connector) by holding the shift solenoid valve body; make sure the mounting bracket contacts the accumulator body.
30. Connect the shift solenoid harness terminals to the shift solenoid valves:

^ YEL wire connector to shift solenoid valve A.
^ RED wire connector to shift solenoid valve B.
^ GRN wire connector to shift solenoid valve C.
^ ORN wire connector to shift solenoid valve D.

31. Install the shift solenoid valve cover, the dowel pins, and a new gasket.
32. Install a new solenoid valve body gasket on the solenoid valve cover, and install the ATF pipes with the filter end in the transmission housing. Install new O-rings over the ATF pipes.
33. Install A/T clutch pressure control solenoid valves A and B.
34. Install the harness cover on the cover bracket, and secure it with the bolt.
35. Check the connectors for rust, dirt, or oil, clean or repair if necessary, then connect the connectors securely. Install the harness clamp on the bracket.
36. Apply molybdenum grease to the hole in the bushing in the shift cable end. Attach the shift cable end to the control lever, then insert the control pin into the control lever hole through the shift cable end, and secure the control pin with the spring clip.
37. Secure the shift cable bracket with the nuts.
38. Install the battery base.
39. Install the air cleaner assembly and the intake manifold cover.
40. Install the battery tray, the battery, and the battery hold-down bracket, then connect the battery cables.
41. Enter the anti-theft code for the audio system and the navigation system (if equipped). Set the clock (on vehicles without navigation).