Operation CHARM: Car repair manuals for everyone.
Manuals through 2025 now available!

Our trusted friends have launched a new website named LEMON, which has newer manuals. It also contains all the CHARM manuals.

LEMON is the spiritual successor to CHARM, I recommend you try it!

Link: lemon-manuals.la or lemon-manuals.org.ua

(Some people have issue connecting. LEMON is investigating. For now, use Firefox or change your DNS server)

Or, hide this message: temporarily or permanently

Rear Heater-A/C Unit Removal/Installation

Rear Heater-A/C Unit Removal/Installation

1. When the engine is cool, drain the engine coolant from the radiator.
2. Recover the refrigerant with a recovery/recycling/charging station.
3. Remove the center console.
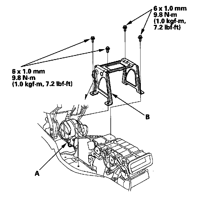
4. Disconnect the connector (A) from the rear blower motor relay. Remove the bolts and the bracket (B).






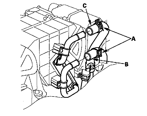
5. Slide the hose clamps (A) back, then disconnect the inlet heater hose (B) and the outlet heater hose (C) from the rear heater core. Engine coolant will run out when the hoses are disconnected; drain it into a clean drip pan. Be sure not to let coolant spill on the electrical parts, the carpet, or the painted surfaces. If any coolant spills, rinse it off immediately.






6. Remove the nuts at the rear evaporator suction line (A) and the receiver line (B) connections.






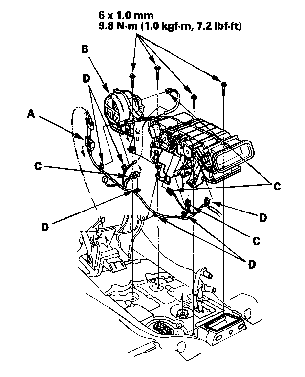
7. Disconnect the connector (A) from the dashboard wire harness. Remove the mounting bolts and the rear heater-A/C unit (B). Plug or cap the lines immediately after disconnecting them to avoid moisture and dust contamination. Disconnect the connectors (C) from the rear blower motor, the rear blower resistor (heating/air conditioning), the rear power transistor (climate control system), the rear air mix control motor (climate control system) and the rear mode control motor, then remove the wire harness clips (D).






8. Install the unit in the reverse order of removal, and note these items:
- If you're installing a new rear evaporator, add refrigerant oil (DENSO ND-OIL 8).
- Replace the O-rings with new ones at each fitting, and apply a thin coat of refrigerant oil before installing them. Be sure to use the correct O-rings for HFC-134a (R-134a) to avoid leakage.
- Immediately after using the oil, reinstall the cap on the container, and seal it to avoid moisture absorption.
- Do not spill refrigerant oil on the vehicle; it may damage the paint; if the refrigerant oil contacts the paint, wash it off immediately.
- Do not interchange the inlet and outlet heater hoses, and install the hose clamps securely.
- Refill the cooling system with engine coolant.
- Make sure that there is no coolant leakage.
- Charge the system.