Operation CHARM: Car repair manuals for everyone.
Manuals through 2025 now available!

Our trusted friends have launched a new website named LEMON, which has newer manuals. It also contains all the CHARM manuals.

LEMON is the spiritual successor to CHARM, I recommend you try it!

Link: lemon-manuals.la or lemon-manuals.org.ua

(Some people have issue connecting. LEMON is investigating. For now, use Firefox or change your DNS server)

Or, hide this message: temporarily or permanently

Removal and Replacement

Alternator Removal and Installation

Removal

1. Make sure you have anti-theft codes for the audio system and the navigation system (if equipped).
2. Disconnect the negative cable from the battery.
3. Remove the engine manifold cover (see step 1).
4. Remove the drive belt.
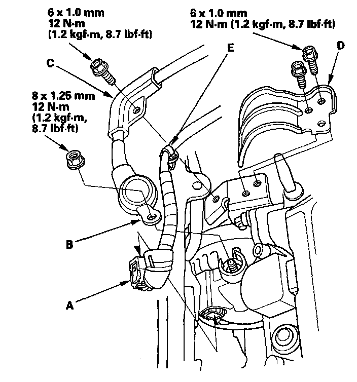
5. Remove the harness clamp (A) and harness clamp bracket (B), then remove the harness holder (C).






6. Disconnect the alternator connector (D) and the BLK wire (E) from the alternator.
7. Remove the mounting bolt (A) and alternator bracket mounting bolt (B), then remove the alternator.






Installation

1. Install the alternator.






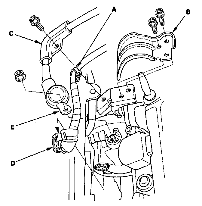
2. Connect the alternator connector (A) and the BLK wire (B) to the alternator.






3. Install the harness holder (C), then install the harness clamp bracket (D) and harness clamp (E).
4. Install the drive belt.
5. Install the engine cover (see step 1).
6. Connect the negative cable.
7. Enter the anti-theft codes for the audio system and navigation system (if equipped).
8. Do the power window control unit reset procedure.
9. Set the clock (on vehicles without navigation).