Operation CHARM: Car repair manuals for everyone.
Manuals through 2025 now available!

Our trusted friends have launched a new website named LEMON, which has newer manuals. It also contains all the CHARM manuals.

LEMON is the spiritual successor to CHARM, I recommend you try it!

Link: lemon-manuals.la or lemon-manuals.org.ua

(Some people have issue connecting. LEMON is investigating. For now, use Firefox or change your DNS server)

Or, hide this message: temporarily or permanently

A/T Clutch Pressure Control Solenoid Valve A Test




A/T Clutch Pressure Control Solenoid Valve A Test

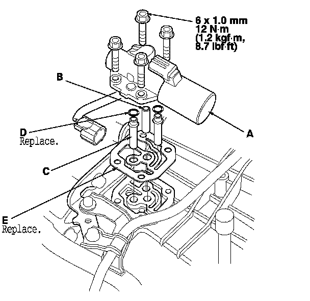
1. Connect the HDS to the DLC (A).

2. Select Clutch Pressure Control (Linear) Solenoid A in the Miscellaneous Test Menu on the HDS.
NOTE: If the HDS does not communicate with the PCM, troubleshoot the DLC circuit. Testing and Inspection

3. Test A/T clutch pressure control solenoid valve A with the HDS.
- If the valve tests OK, the test is complete. Disconnect the HDS.

- If the valve does not test OK, follow the instructions on the HDS.

- If the valve does not test OK, and the HDS does not determine the cause, go to step 4.

4. Remove the air cleaner, Service and Repair and the air intake duct. Service and Repair






5. Disconnect the A/T clutch pressure control solenoid valve A connector.

6. Measure the A/T clutch pressure control solenoid valve A resistance at the connector terminals.





- If the resistance is out of standard, replace A/T clutch pressure control solenoid valve A. A/T Clutch Pressure Control Solenoid Valve A Replacement

- If the resistance is within the standard, go to step 7.

7. Connect a jumper wire from the negative battery terminal to the solenoid valve A connector terminal No. 2, and connect another jumper wire from the positive battery terminal to the connector terminal No. 1.
- If a clicking sound is heard, the valve is OK. Reconnect the connector, and install all removed parts.

- If no clicking sound is heard, go to step 8.





8. Remove the mounting bolts and A/T clutch pressure control solenoid valve A.

9. Remove the ATF pipe (B), the ATF joint pipes (C), the O-rings (D), and the gasket (E).

10. Check the fluid passage of the solenoid valve for contamination.






11. Connect a jumper wire from the negative battery terminal to A/T clutch pressure control solenoid valve A connector terminal No. 2, and connect another jumper wire from the positive battery terminal to the connector terminal No. 1. Make sure A/T clutch pressure control solenoid valve A moves.

12. Disconnect one of the jumper wires, and check valve movement at the fluid passage in the valve body mounting surface. If the valve binds or moves sluggishly, or if the solenoid valve does not operate, replace A/T clutch pressure control solenoid valve A.

13. Clean the mounting surface, the fluid passage of the solenoid valve body, and the transmission housing.

14. Install a new gasket on the transmission housing, and install the ATF pipe and the ATF joint pipes. Install the new O-rings over the ATF joint pipes.

15. Install A/T clutch pressure control solenoid valve A.

16. Check the connector for rust, dirt, or oil, clean or repair if necessary. Then connect the connector securely.

17. Install the air intake duct, Service and Repair and the air cleaner. Service and Repair