Operation CHARM: Car repair manuals for everyone.
Manuals through 2025 now available!

Our trusted friends have launched a new website named LEMON, which has newer manuals. It also contains all the CHARM manuals.

LEMON is the spiritual successor to CHARM, I recommend you try it!

Link: lemon-manuals.la or lemon-manuals.org.ua

(Some people have issue connecting. LEMON is investigating. For now, use Firefox or change your DNS server)

Or, hide this message: temporarily or permanently

Climate Control System Description (With Climate Control)




Climate Control System Description

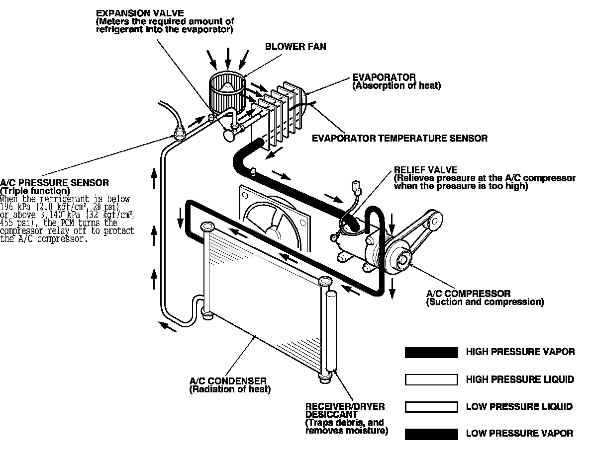
The air conditioning system removes heat from the passenger compartment by transferring heat from the ambient air to the evaporator. The evaporator cools the air with the refrigerant that is circulating through the evaporator. The refrigerant expands in the evaporator, and the evaporator becomes very cold and absorbs the heat from the ambient air. The blower fan pushes air across the evaporator where the heat is absorbed, and then it blows the cool air into the passenger compartment.






This vehicle uses HFC-134a (R-134a) refrigerant, which does not contain chlorofluorocarbons. Pay attention to the following service items:

- Do not mix refrigerants CFC-12 (R-12) and HFC-134a (R-134a). They are not compatible.

- Use only the recommended polyalkyleneglycol (PAG) refrigerant oil (SP-10) designed for the R-134a A/C compressor. Intermixing the recommended (PAG) refrigerant oil with any other refrigerant oil will result in A/C compressor failure.

- All A/C system parts (A/C compressor, discharge line, suction line, evaporator, A/C condenser, receiver/dryer, expansion valve, O-rings for joints) are designed for refrigerant R-134a. Do not exchange with R-12 parts.

- Use a halogen gas leak detector designed for refrigerant R-134a.

- R-12 and R-134a refrigerant servicing equipment are not interchangeable. Use only a recovery/recycling/charging station that is U.L.-listed and is certified to meet the requirements of SAE J2210 to service the R-134a air conditioning systems.

- Always recover refrigerant R-134a with an approved recovery/recycling/charging station before disconnecting any A/C fitting.

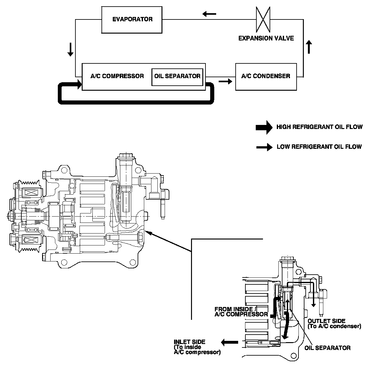
Oil Separator

Oil emission from the A/C compressor to the A/C line is reduced by placing the oil separator in the A/C compressor. This results in a thinner oil film inside of the heat exchangers (A/C condenser and evaporator). Air conditioning efficiency is increased without sacrificing engine performance.






A/C Pressure Sensor

The A/C pressure sensor converts A/C pressure into electrical signals to the PCM.

NOTE: The pressures can be monitored using the HDS PGM-FI Data List:

- Select PGM-FI

- Select Data List A/C Pressure





The response of the A/C pressure sensor is shown in the graph.

NOTE: When the refrigerant is below 196 kPa (2.0 kgf/cm2, 28 psi) or above 3,138 kPa (32 kgf/cm2, 455 psi), the PCM turns the compressor relay off to protect the A/C compressor. When the refrigerant is above 1,390 kPa (14.2 kgf/cm2, 202 psi), the PCM switches the radiator and A/C condenser fans to high speed.






Climate Control Door Positions









Dual Air Mix Control System





Climate Control Unit Inputs and Outputs









*: With navigation system