Operation CHARM: Car repair manuals for everyone.
Manuals through 2025 now available!

Our trusted friends have launched a new website named LEMON, which has newer manuals. It also contains all the CHARM manuals.

LEMON is the spiritual successor to CHARM, I recommend you try it!

Link: lemon-manuals.la or lemon-manuals.org.ua

(Some people have issue connecting. LEMON is investigating. For now, use Firefox or change your DNS server)

Or, hide this message: temporarily or permanently

Tightening Torque and Sequences

Cylinder Head Torque and Sequence

Tighten the cylinder head bolts in sequence to 39 N-m (4.0 kgf-m, 29 lbf-ft).






Then, tighten all cylinder head bolts in two steps (90 ° per step using the sequence. If you are using a new cylinder head bolt, tighten the bolt an extra 60 °.






Head Bolt Reuse/Replace






The minimum diameter for each cylinder head bolt at point A and point B is 10.6 mm (0.42 in.).


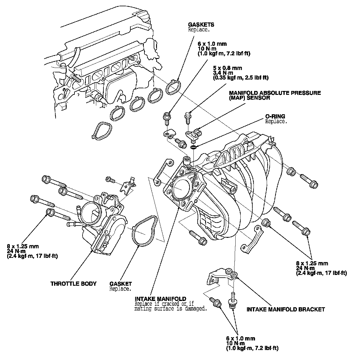
Intake Manifold Torque






Camshaft Bearing/Camshaft Holder Torque

Tighten bolts two turns at a time in sequence.









Main Bearing Cap Torque and Sequence

Tighten the bearing cap bolts, in sequence, to 25 N-m (2.5 kgf-m, 18 lbf-ft).






Tighten the bearing cap bolts an additional 57 °.






Tighten the 8 mm bolts, in sequence, to 24 N-m (2.4 kgf-m, 17 lbf-ft).






Rod Bearing Cap Torque

Tighten the connecting rod bolts to 20 N-m (2.0 kgf-m, 14 lbf-ft).






Tighten the connecting rod bolts an additional 90 °.






Crankshaft Pulley Torque

Tighten the bolt to 69 N-m (7.0 kgf-m, 51 lbf-ft).
If the pulley bolt or crankshaft are new, tighten the bolt to 177 N-m (18.0 kgf-m, 130 lbf-ft), then remove the bolt and tighten it to 69 N-m (7.0 kgf-m, 51 lbf-ft).
Then tighten the bolt an additional 90 °.






Flex Plate Torque

Torque the flex plate mounting bolts in a crisscross pattern in several steps.






Engine Oil Pump Torque






Water Pump Torque