Operation CHARM: Car repair manuals for everyone.
Manuals through 2025 now available!

Our trusted friends have launched a new website named LEMON, which has newer manuals. It also contains all the CHARM manuals.

LEMON is the spiritual successor to CHARM, I recommend you try it!

Link: lemon-manuals.la or lemon-manuals.org.ua

(Some people have issue connecting. LEMON is investigating. For now, use Firefox or change your DNS server)

Or, hide this message: temporarily or permanently

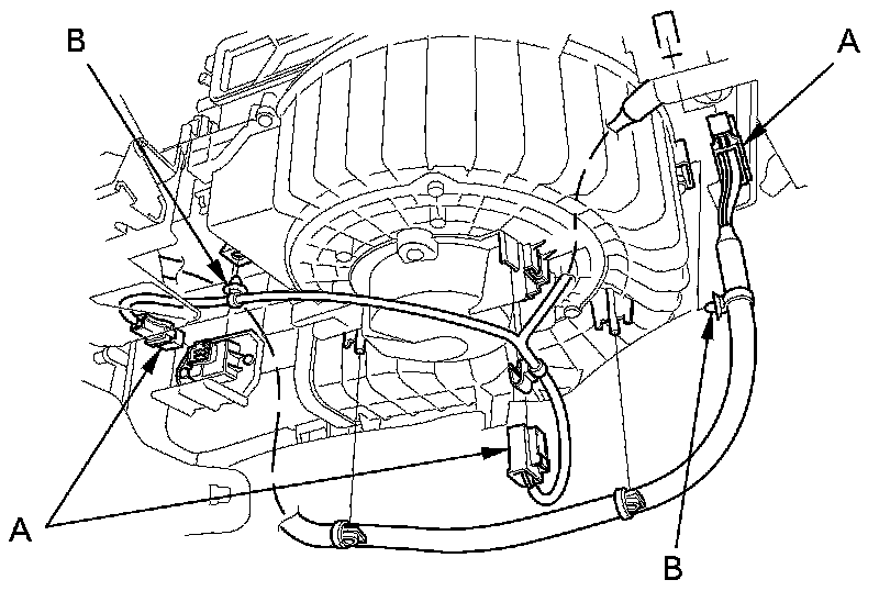
Front Blower Motor Replacement




Front Blower Motor Replacement

1. Remove the passenger's side undercover Passenger's Dashboard Undercover Removal/Installation.

2. Disconnect the connectors (A) from the front climate control unit (with climate control), the front blower motor, and the front power transistor, then remove the wire harness clips (B).






3. Remove the front blower motor (A).





4. Install the motor in the reverse order of removal.