Operation CHARM: Car repair manuals for everyone.
Manuals through 2025 now available!

Our trusted friends have launched a new website named LEMON, which has newer manuals. It also contains all the CHARM manuals.

LEMON is the spiritual successor to CHARM, I recommend you try it!

Link: lemon-manuals.la or lemon-manuals.org.ua

(Some people have issue connecting. LEMON is investigating. For now, use Firefox or change your DNS server)

Or, hide this message: temporarily or permanently

Traction Control Module: Service and Repair




VSA Modulator-Control Unit Removal and Installation

NOTE:

- Do not spill brake fluid on the vehicle; it may damage the paint. If brake fluid gets on the paint, wash it off immediately with water.
- Be careful not to damage or deform the brake lines during removal and installation.
- After removal, plug the ends of the hoses and joints to prevent spilling brake fluid.

Removal

1. Turn the ignition switch to LOCK (0).

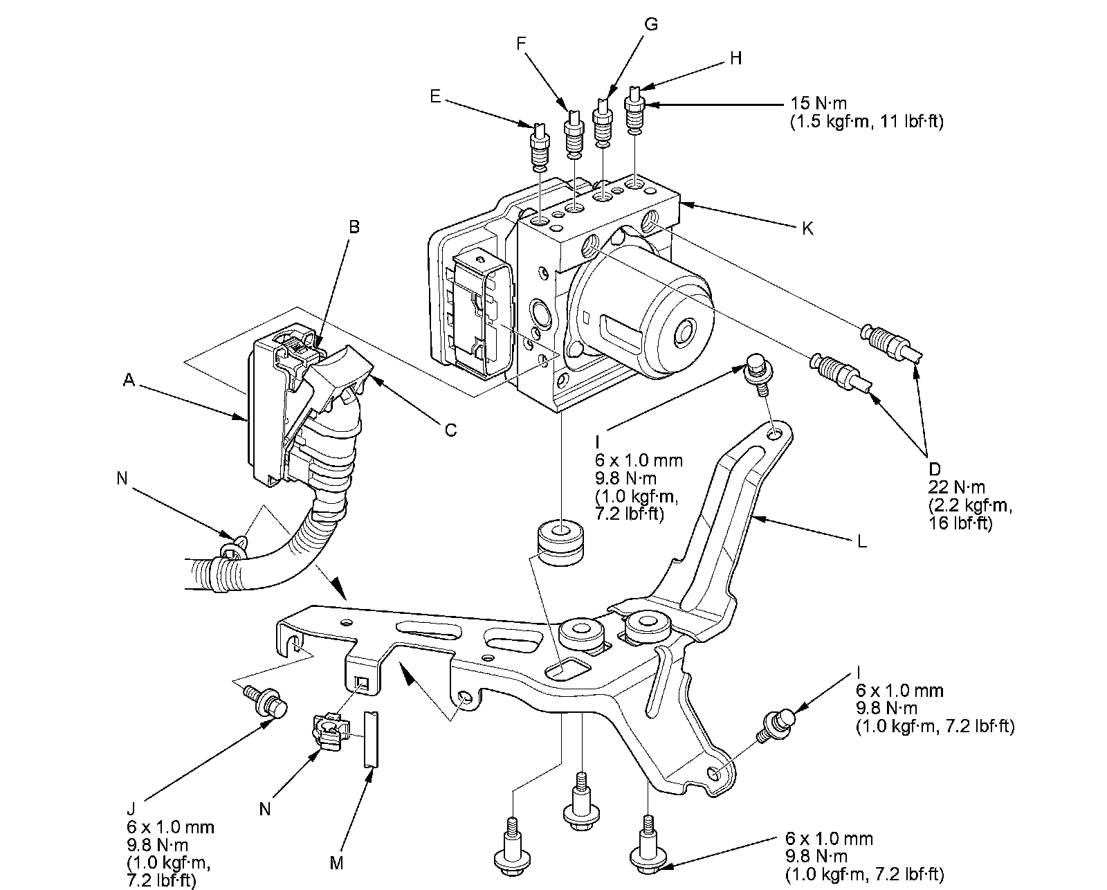
2. Remove the suction line mounting bolt (A) from the bracket.






3. Disconnect the VSA modulator-control unit 36P connector (A) by pushing the lock (B) and pulling down the lever (C); the connector disconnects itself.





4. Disconnect the six brake lines from the VSA modulator-control unit.

NOTE: Brake lines are connected to the master cylinder (D) and to the left-rear (E), the right-front (F), the left-front (G), and the right-rear (H) brake systems.

5. Remove the 6 x 12 mm flange bolts (I) and 6 x 16 mm flange bolt (J), then remove the VSA modulator-control unit (K) with the bracket (L) from the body.

6. Remove the A/C receiver line (M) from the bracket, then remove the clips (N).

7. Remove the VSA modulator-control unit from the bracket.

Installation

1. Install the VSA modulator-control unit onto the bracket.

2. Install the clips to the bracket, then install the receiver line.

3. Install the bracket with the VSA modulator-control unit to the body.

4. Reconnect the six brake lines, then tighten the flare nuts to the specified torque.

5. Align the connecting surface of the VSA modulator-control unit 36P connector to the VSA modulator-control unit.

6. Pull up the lever of the VSA modulator-control unit 36P connector, then confirm the connector is fully seated.

7. Install the suction line mount bolt to the bracket.

8. Bleed the brake system Service and Repair.

9. Do the VSA modulator-control unit update Testing and Inspection.

10. Do the VSA sensor neutral position memorization procedure Programming and Relearning.

11. Start the engine, and make sure the ABS and the VSA indicators go off.

12. Test-drive the vehicle, and make sure the ABS and the VSA indicators do not come on.

NOTE: If the brake pedal is spongy, there may be air trapped in the modulator which could then be induced into the normal brake system during modulation. Bleed the brake system again Service and Repair.