Operation CHARM: Car repair manuals for everyone.
Manuals through 2025 now available!

Our trusted friends have launched a new website named LEMON, which has newer manuals. It also contains all the CHARM manuals.

LEMON is the spiritual successor to CHARM, I recommend you try it!

Link: lemon-manuals.la or lemon-manuals.org.ua

(Some people have issue connecting. LEMON is investigating. For now, use Firefox or change your DNS server)

Or, hide this message: temporarily or permanently

Engine Installation




Engine Installation

Special Tools Required

- Engine Support Hanger, A and Reds AAR-T1256
- Engine Hanger Balance Bar VSB02C000019
- 2008 V6 Attachment Arm SIL02C000033
- Subframe Adapter VSB02C000016
- Subframe Alignment Pin 070AG-SJAA10S
*Available through the Honda Tool and Equipment Program 888-424-6857

1. Install the engine mount brackets and the accessory brackets, then tighten their bolts to the specified torque.






2. Position the engine/transmission under the vehicle. Be sure that they are properly aligned. Carefully lower the vehicle until the engine/transmission are properly positioned in the engine compartment. Make sure the vehicle is not resting on any part of the engine/transmission. Support the engine/transmission with a chain hoist (A) and carefully raise the engine/transmission into place.

NOTE: Reinstall the mounting bolts/support nuts in the sequence given in the following steps. Failure to follow this sequence may cause excessive noise and vibration, and reduce engine mount life.






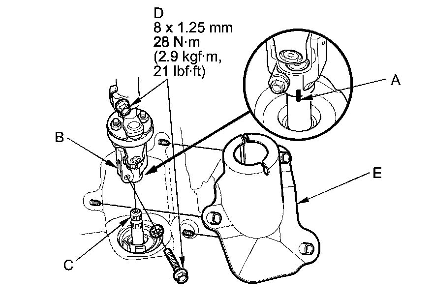
3. Install the engine hanger balance bar (VSB02C000019). Attach the front arm (A) to the front cylinder head with several spacers (B) and a 10 x 1.25 mm bolt (C), attach the 2008 V6 attachment arm (SIL02C000033) to the rear cylinder head with an 8 x 1.25 mm bolt (D), then attach the rear arm (E) to the 2008 V6 attachment arm.






4. Install the engine support hanger (AAR-T1256) onto the vehicle as shown, and attach the hook to the slotted hole in the engine hanger balance bar. Tighten the wing nut (F) by hand, and lift and support the engine/transmission.

NOTE:

- Be careful when working around the windshield.
- Be careful not to damage the hood opener cable when installing the engine support hanger at the front bulkhead.
- AAR-T1256 two sets required.

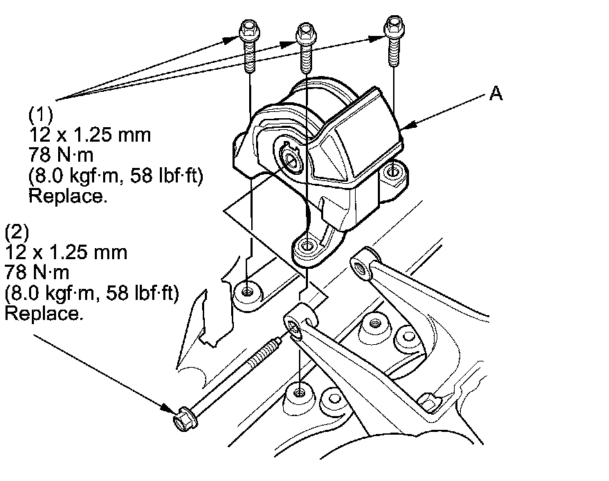
5. Install the new side engine mount bracket mounting bolts (A) into the upper half of the side engine mount bracket. Tighten the bolts to the specified torque.






6. M/T model: Tighten the new upper transmission mount bracket mounting bolts (A) to the specified torque, then install the ground cable (B).






7. A/T model: Tighten the new upper transmission mount bracket mounting bolts (A) and nut to the specified torque, then install the bracket (B).






8. A/T model: Install the ground cable (A).





9. Remove the chain hoist, then raise the vehicle on the lift.

10. Using the subframe adapter (VSB20C000016) and a jack, raise the front subframe up to the body.





11. Loosely install the new front subframe mounting bolts (four) (A), the 12 x 1.25 mm bolts (four) (B) (C), and the stiffeners (D).

12. Loosely install the new subframe middle mount on both sides.





13. Remove the jack and the subframe adapter.

14. Insert the 15.7 mm side of the subframe alignment pin (070AG-SJAA10S) through the positioning slot (A) on the right rear stiffener, through the positioning hole (B) on the subframe, and into the positioning hole (C) on the body, then loosely tighten the subframe right rear mounting bolt.






15. Insert the 15.7 mm side of the subframe alignment pin through the positioning slot on the left rear stiffener, through the positioning hole on the subframe, and into the positioning hole on the body, then loosely tighten the subframe left rear mounting bolt.

16. Using the subframe alignment pin, tighten the subframe right rear mounting bolt.

17. Using the subframe alignment pin, tighten the subframe left rear mounting bolt.

18. Tighten the stiffener mounting bolts to the specified torque.

19. Tighten the front and rear subframe mounting bolts to the specified torque.

20. Check that the positioning slots on the right/left rear stiffener, the positioning holes on the subframe, and the positioning holes on the body are aligned using the subframe alignment pin.

21. Tighten the bolts securing the subframe middle mount on both sides.






22. Tighten the nuts securing the lower transmission mount.





23. Lower the vehicle on the lift.

24. Remove the engine support hanger, the engine hanger balance bar, and the 2008 V6 attachment arm.

25. M/T model: Tighten the new front engine mount mounting bolt (A), then install the front engine mount stop mounting nuts (B) and connect the vacuum hose (C).






26. A/T model: Tighten the new front engine mount mounting bolt (A), then install the front engine mount stop mounting nuts (B), and connect the engine mount actuator connector (C), and install the connector (D) to the front subframe.






27. M/T model: Lift and support the engine/transmission with a jack and a wood block under the transmission, then install the rear engine mount (A).





28. M/T model: Remove the jack, then tighten the new rear engine mount mounting bolts in the numbered sequence shown.

29. A/T model: Tighten the new rear engine mount mounting bolt (A), then install the rear engine mount stop mounting nuts (B), and connect the engine mount actuator connector (C).






30. A/T model: Install the harness clamps (A).






31. Loosen the side engine mount bracket mounting bolts (A) for the upper half of the side engine mount bracket, then retighten them to the specified torque.






32. M/T model: Loosen the upper transmission mount bracket mounting bolts (A), then retighten them to the specified torque.






33. A/T model: Loosen the upper transmission mount bracket mounting bolts and nut (A), then retighten them to the specified torque.






34. Install the connector bracket (A) to the front cylinder head.

J35Z2 engine





J35Z3 engine





35. Install the harness holder and the connectors to the front cylinder head:

- J35Z2 engine Cylinder Head Cover Installation (J35Z2 Engine)
- J35Z3 engine Cylinder Head Cover Installation (J35Z3 Engine)

36. Install the harness clamp bracket (A) to the rear cylinder head.

J35Z2 engine





J35Z3 engine





37. A/T model: Install the ATF cooler hoses to the transmission, and secure the hoses with the clips Service and Repair.

38. Install the A/C compressor (A), then connect the A/C compressor clutch connector (B).






39. Connect the heater hoses (A).





40. Install the radiator Radiator Replacement.

41. Raise the vehicle on the lift.

42. Connect the PSP switch connector (A).






43. Connect the power steering hose (A).






44. Install a new set ring on the end of each driveshaft, then install the driveshafts Driveshaft Installation. Make sure each ring "clicks" into place in the differential and the intermediate shaft.

45. Connect the lower arms to the knuckles Front Knuckle/Hub/Wheel Bearing Replacement.

46. Connect the tie-rod end ball joints to the knuckles Front Knuckle/Hub/Wheel Bearing Replacement.

47. Install the damper fork Front Lower Arm Removal/Installation.

48. Install exhaust pipe A using new gaskets (B) and new self locking nuts (C).






49. Install the splash shield.





50. Install the front wheels.

51. Lower the vehicle on the lift.

52. A/T model: Install the shift cable Service and Repair.

53. M/T model: Install the clutch slave cylinder and the clutch line bracket mounting nut Manual Transmission Installation.

54. M/T model: Install the shift cable and the select cable, then tighten the three bolts securing the shift cable holder Manual Transmission Installation.

55. Align the reference mark (A) on the steering joint (B) and the steering gearbox pinion shaft (C). Connect the steering joint to the steering gearbox pinion shaft. Tighten the steering joint bolts (D).





56. Install the steering joint cover (E).

57. Install the steering wheel Steering Wheel Installation.

58. Connect the power steering pump outlet hose (A) and the power steering pump inlet hose (B) to the power steering pump and install the power steering hose bracket (C).






59. Install the drive belt:

- '08-10 models J35Z2 engine Drive Belt Replacement (J35Z2 Engine)
- Except '08-10 models J35Z2 engine Drive Belt Replacement (J35Z3 Engine)

60. Connect the fuel feed hose (A), then install the quick-connect fitting cover (B) Fuel Line/Quick-Connect Fitting Installation.






61. Connect the EVAP canister hose (A) and the brake booster vacuum hose (B).






62. Connect the ECM/PCM connectors (A), the engine wire harness connector (B), and the harness clamps (C), and install the bracket (D).





63. M/T model: Connect the engine wire harness connector (E).

64. Install the ECM/PCM (A), then install the ECM/PCM cover (B).






65. Connect the battery cables (A) to the under-hood fuse/ relay box.






66. Install the battery base (A), then install the harness clamp (B) and the bolts (C).





67. Install the air cleaner Service and Repair.

68. Install the front grille cover:

- 2-door Front Grille Cover Replacement (2-Door)
- 4-door Front Grille Cover Replacement (4-Door)

69. Install the splash separator Radiator Replacement.

70. Install the engine cover Intake Manifold Removal/Installation.

71. Install the strut brace Frame Brace Replacement.

72. Do the battery installation procedure Removal and Replacement.

73. Inspect for fuel leaks. Turn the ignition switch to ON (II) (do not operate the starter) so the fuel pump runs for about 2 seconds and pressurizes the fuel line. Repeat this operation three times, then check for fuel leakage at any point in the fuel line.

74. Refill the engine with the engine oil Service and Repair.

75. Refill the transmission with fluid:

- Manual transmission Service and Repair
- Automatic transmission ATF Replacement

76. A/T model: Move the shift lever to each gear, and verify that the A/T gear position indicator follows the transmission range switch.

77. M/T model: Check that the transmission shifts into all gears smoothly.

78. Refill the reservoir with power steering fluid Service and Repair.

79. Refill the radiator with engine coolant Service and Repair.

80. Do the power steering system bleeding procedure Service and Repair.

81. Do the cooling system bleeding procedure Service and Repair.

82. Check for fluid leaks.

83. Do the ECM/PCM reset procedure Initial Inspection and Diagnostic Overview.

84. Do the CKP pattern clear/CKP pattern learn procedure Initial Inspection and Diagnostic Overview.

85. Inspect the idle speed Testing and Inspection.

86. Inspect the ignition timing Testing and Inspection.

87. Check the wheel alignment Service and Repair.