Operation CHARM: Car repair manuals for everyone.
Manuals through 2025 now available!

Our trusted friends have launched a new website named LEMON, which has newer manuals. It also contains all the CHARM manuals.

LEMON is the spiritual successor to CHARM, I recommend you try it!

Link: lemon-manuals.la or lemon-manuals.org.ua

(Some people have issue connecting. LEMON is investigating. For now, use Firefox or change your DNS server)

Or, hide this message: temporarily or permanently

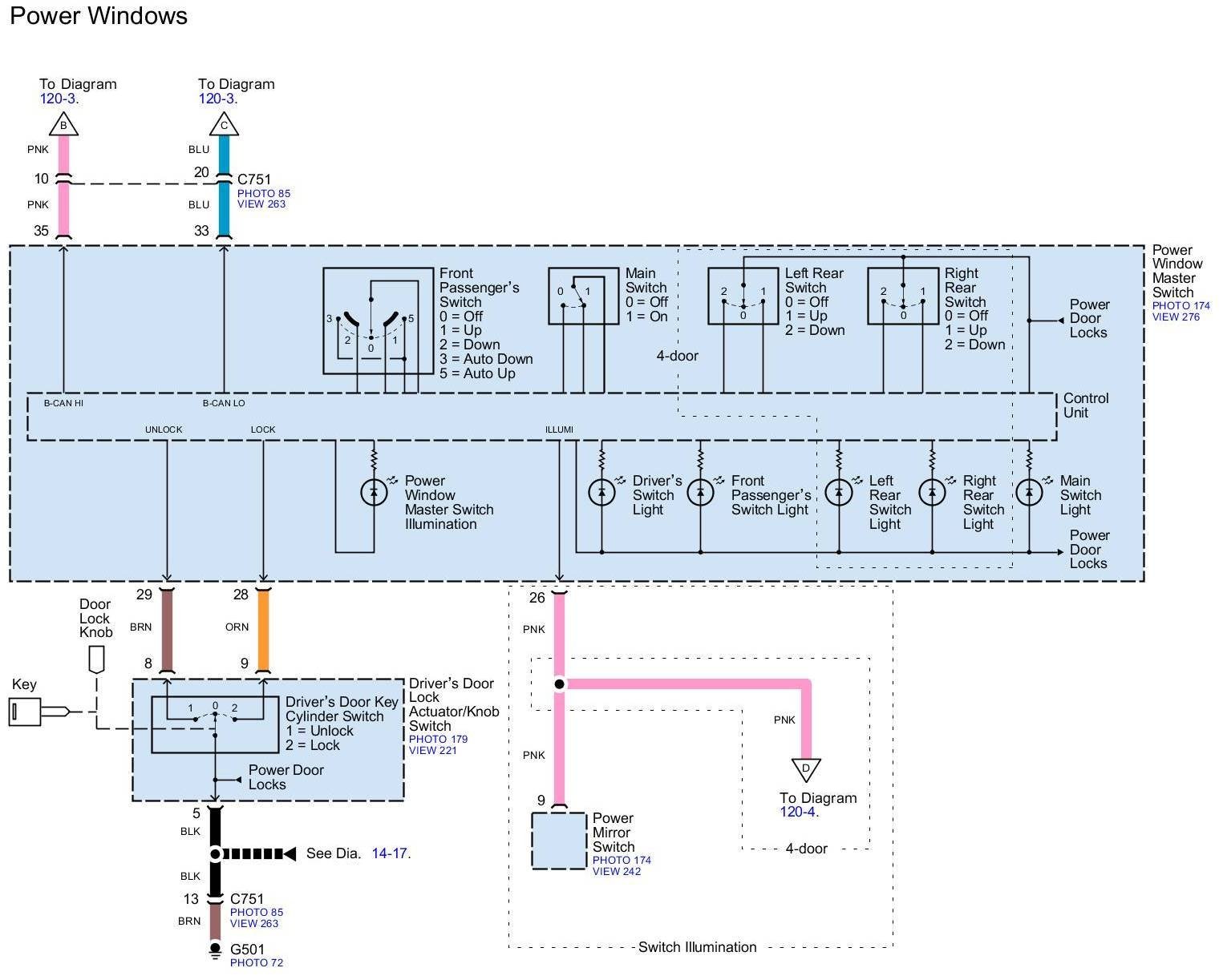
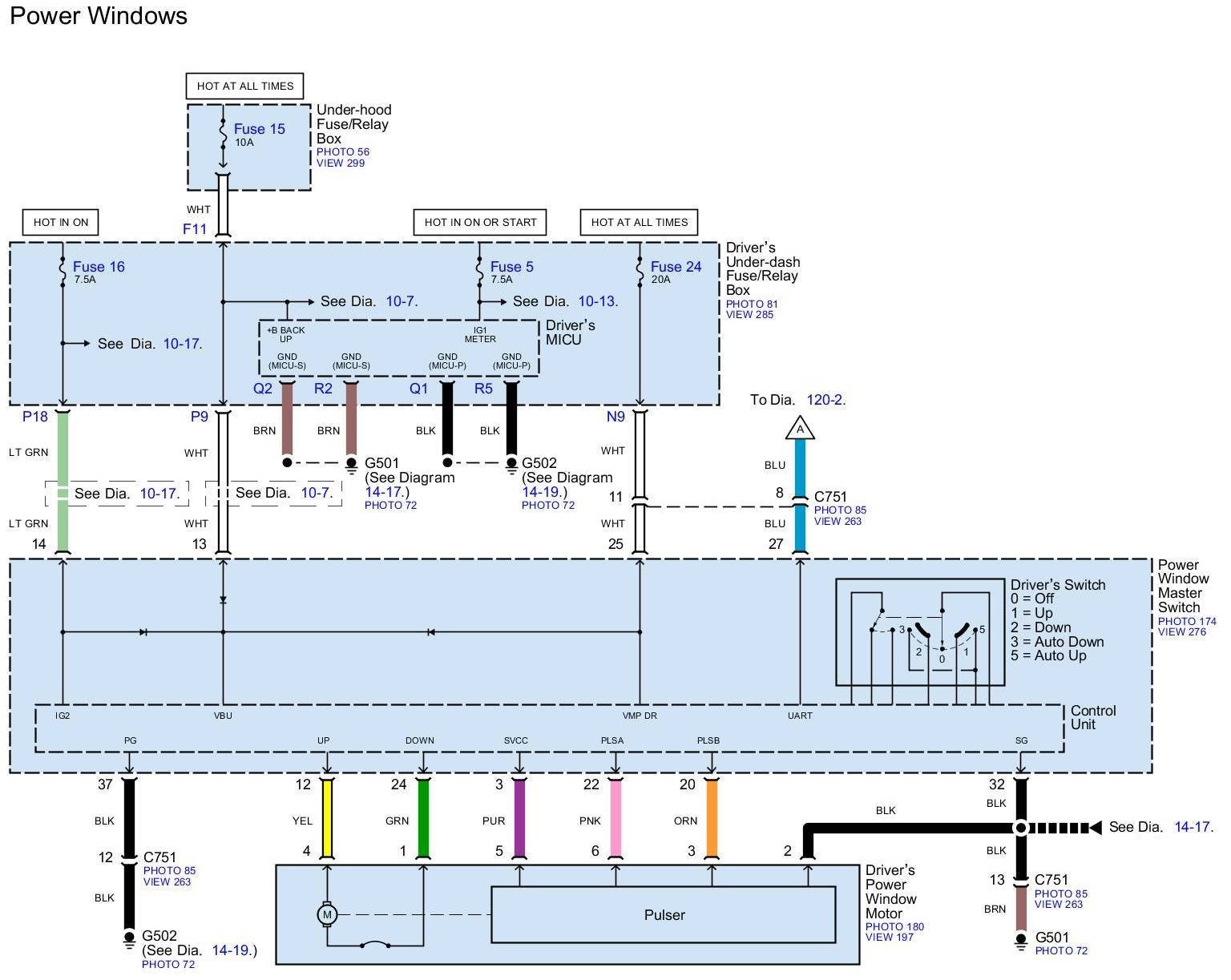
How The Power Windows Circuit Works































Diagrams: Other diagrams referred to by number (See Diagram ##-#, etc.) within these diagrams can be found at Diagrams by Number. Diagrams By Number

Locations: Location photographs (references to PHOTOS) referred to within these diagrams can be found at Locations by Photo Number. Component Locations

Connector Views: Connector terminal views (references to VIEWS) referred to within these diagrams can be found at Connector Views by View Number. Connector Views By View Number