Operation CHARM: Car repair manuals for everyone.
Manuals through 2025 now available!

Our trusted friends have launched a new website named LEMON, which has newer manuals. It also contains all the CHARM manuals.

LEMON is the spiritual successor to CHARM, I recommend you try it!

Link: lemon-manuals.la or lemon-manuals.org.ua

(Some people have issue connecting. LEMON is investigating. For now, use Firefox or change your DNS server)

Or, hide this message: temporarily or permanently

Images

Torque Converter:



Select Lever:



Differential:



Left Side Cover:



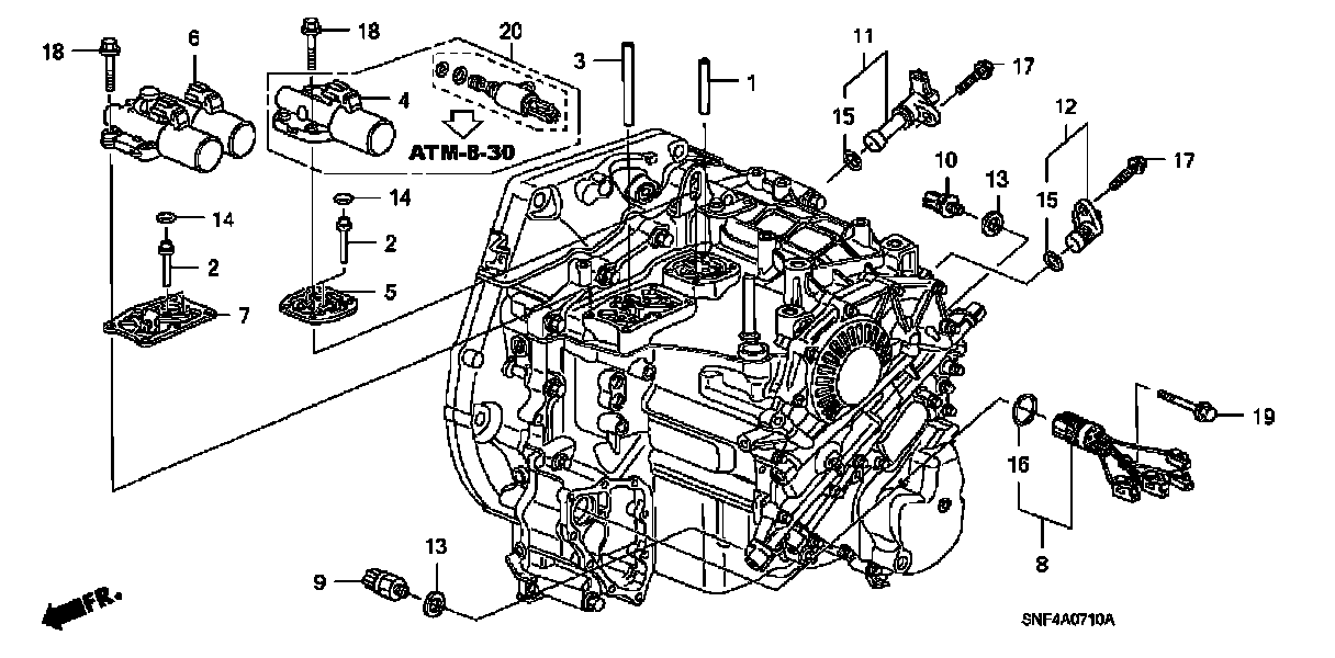
Transmission Case:



ATF Pipe:



Clutch (2ND-4TH):



Clutch (3RD-5TH):



Clutch (Low):



Countershaft:



Idle Shaft:



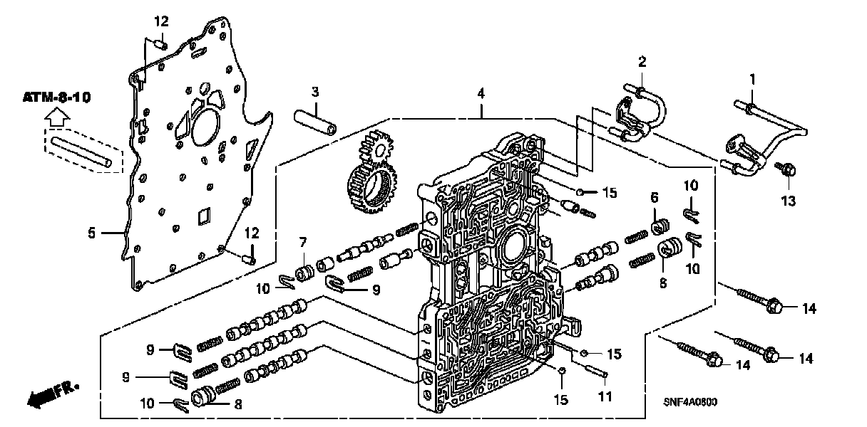
Main Valve Body:



Mainshaft:



Regulator Body:



Secondary Shaft:



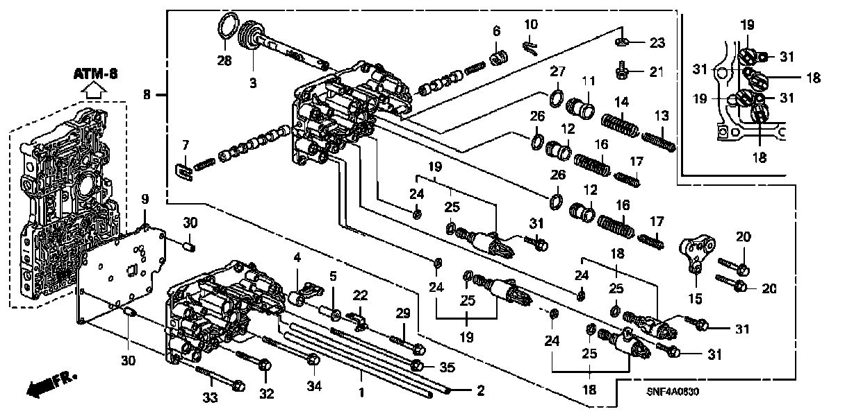
Servo Body:



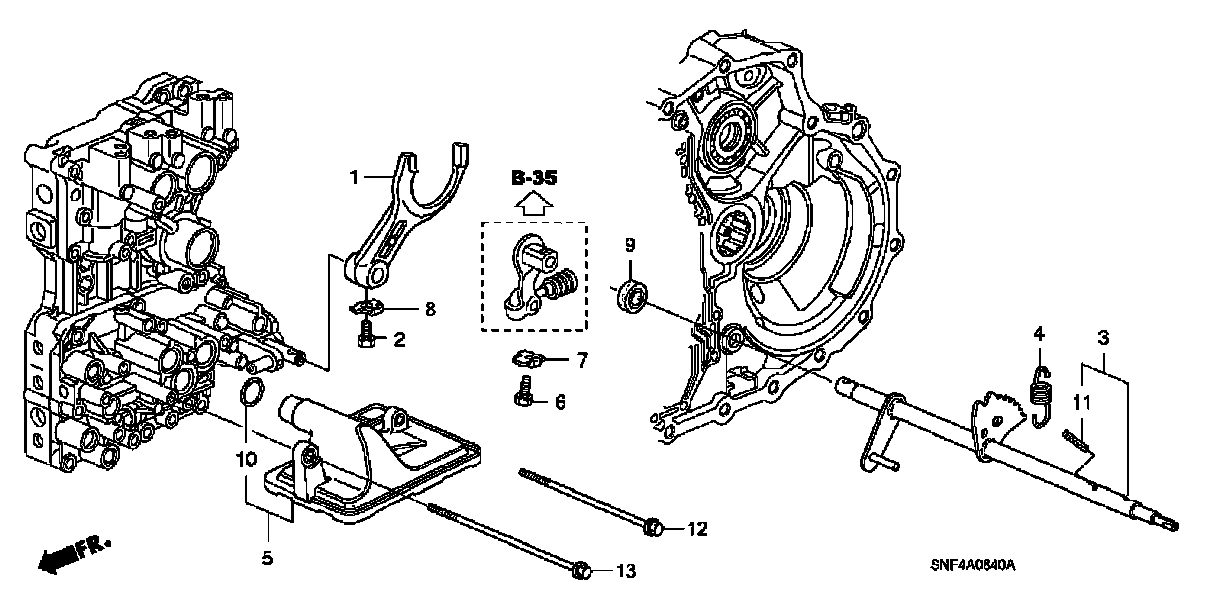
Shift Fork:



Solenoid:



Torque Converter Case: