Operation CHARM: Car repair manuals for everyone.
Manuals through 2025 now available!

Our trusted friends have launched a new website named LEMON, which has newer manuals. It also contains all the CHARM manuals.

LEMON is the spiritual successor to CHARM, I recommend you try it!

Link: lemon-manuals.la or lemon-manuals.org.ua

(Some people have issue connecting. LEMON is investigating. For now, use Firefox or change your DNS server)

Or, hide this message: temporarily or permanently

Intake Manifold: Service and Repair




Intake Manifold Removal and Installation

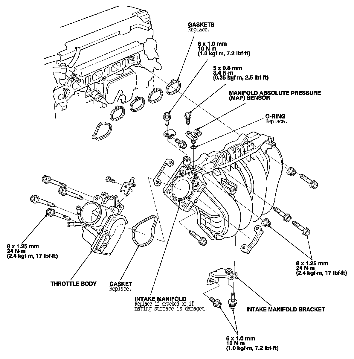
Exploded View





Removal

1. Close the manual shut-off valve.

2. To reduce pressure in the fuel lines, start the engine, and run it until it stalls.






3. Remove the intake air duct.

4. Remove the air cleaner assembly. Service and Repair

5. Remove the cowl cover and the under-cowl panel. Service and Repair






6. Disconnect the fuel feed hose.






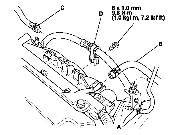
7. Disconnect the vacuum hose (A), the brake booster vacuum hose (B), and the positive crankcase ventilation (PCV) hose (C), and remove the power steering (P/S) hose clamp (D).

8. Disconnect the engine wire harness connectors, and remove the wire harness clamps from the intake manifold.
- Throttle actuator connector

- Manifold absolute pressure (MAP) sensor connector

- Intake manifold tuning (IMT) valve actuator connector





9. Disconnect the water bypass hoses, then plug the water bypass hoses.






10. Remove the throttle body.






11. Remove the heater hose clamp bracket.

12. Raise the vehicle on the lift.






13. Remove the intake manifold bracket.

14. Lower the vehicle on the lift.






15. Remove the all intake manifold mounting bolts and nuts, then remove the intake manifold from the cylinder head.






16. Remove the harness clamps, then remove the intake manifold from the vehicle.






Installation

1. Install the harness clamps to the intake manifold.






2. Install the intake manifold (A) with new gaskets (B), and tighten the bolts and nuts in a crisscross pattern in three steps, beginning with the inner bolt.

3. Raise the vehicle on the lift.






4. Install the intake manifold bracket (A).

5. Lower the vehicle on the lift.






6. Install the heater hose clamp bracket.






7. Install the throttle body (A) with a new gasket (B).






8. Connect the water bypass hoses.

9. Connect the engine wire harness connectors, and install the wire harness clamps to the intake manifold.
- Throttle actuator connector

- MAP sensor connector

- IMT valve actuator connector





10. Connect the vacuum hose (A), the brake booster vacuum hose (B), and the PCV hose (C), and install the P/S hose clamp (D).






11. Connect the fuel feed hose (A). Use new O-ring (B).

12. Install the under-cowl panel and the cowl cover. Service and Repair

13. Install the air cleaner assembly. Service and Repair






14. Install the intake air duct.

15. Do the leak Inspection. Testing and Inspection

16. After installation, check that all tubes, hoses and connectors are installed correctly.

17. Clean up any spilled engine coolant.

18. Refill the radiator with engine coolant, and bleed the air from the cooling system. Service and Repair