Operation CHARM: Car repair manuals for everyone.
Manuals through 2025 now available!

Our trusted friends have launched a new website named LEMON, which has newer manuals. It also contains all the CHARM manuals.

LEMON is the spiritual successor to CHARM, I recommend you try it!

Link: lemon-manuals.la or lemon-manuals.org.ua

(Some people have issue connecting. LEMON is investigating. For now, use Firefox or change your DNS server)

Or, hide this message: temporarily or permanently

Alternator: Service and Repair




Alternator Removal and Installation

Removal

1. Do the battery terminal disconnection procedure. Procedures

2. Remove the drive belt. Service and Repair

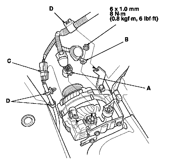
3. Disconnect the alternator connector (A) and the positive alternator cable (B) from the alternator.

4. Remove the harness connector (C) and the harness clamps (D).






5. Remove the alternator.






Installation

1. Install the alternator.






2. Connect the alternator connector (A) and the positive alternator cable (B). Make sure the crimped side of the ring terminal faces away from the alternator when you connect it.

3. Install the harness connector (C) and the harness clamps (D).

4. Install the drive belt. Service and Repair

5. Do the battery terminal reconnection procedure. Procedures