Operation CHARM: Car repair manuals for everyone.
Manuals through 2025 now available!

Our trusted friends have launched a new website named LEMON, which has newer manuals. It also contains all the CHARM manuals.

LEMON is the spiritual successor to CHARM, I recommend you try it!

Link: lemon-manuals.la or lemon-manuals.org.ua

(Some people have issue connecting. LEMON is investigating. For now, use Firefox or change your DNS server)

Or, hide this message: temporarily or permanently

Brake Pad: Service and Repair




Front Brake Pad Inspection and Replacement

Special Tools Required

- Brake Caliper Piston Compressor 07AAE-SEPA101

CAUTION
Frequent inhalation of brake pad dust, regardless of material composition, could be hazardous to your health.
- Avoid breathing dust particles.
- Never use an air hose or brush to clean brake assemblies. Use an OSHA-approved vacuum cleaner.



Inspection

1. Raise and support the vehicle Service and Repair.

2. Remove the front wheels.

3. Check the thickness (A) of the inner pad (B) and the outer pad (C). Do not include the thickness of the backing plate.






Inner pad





Outer pad





4. If the brake pad thickness of any of the pads is less than the service limit, replace the front brake pads as a set.

5. Clean the mating surfaces of the brake disc and the inside of the wheel, then install the front wheels.

Replacement

1. Remove some of the brake fluid from the master cylinder.

2. Raise the vehicle on a lift Service and Repair.

3. Remove the front wheels.

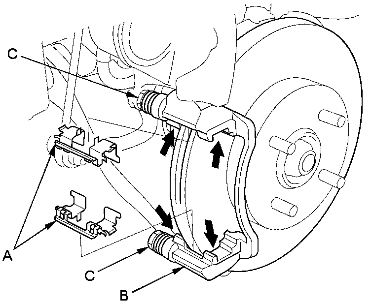
4. Remove the brake hose mounting bolt (A).





5. Remove the flange bolt (B) while holding the caliper pin (C) with a wrench. Be careful not to damage the pin boot, and pivot the caliper (D) up out of the way. Check the hose and the pin boots for damage and deterioration.

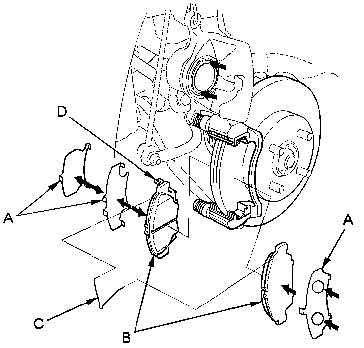
6. Remove the pad return spring (A), then remove the pad shims (B) and the brake pads (C).






7. Remove the pad retainers (A).





8. Clean the caliper bracket (B) thoroughly; remove any rust, and check for grooves and cracks. Verify that the caliper pins (C) move in and out smoothly. Clean and lube if needed.

9. Inspect the brake disc, and check for damage and cracks Testing and Inspection.

10. Apply a thin coat of M-77 assembly paste (P/N 08798-9010) to the retainer mating surface of the caliper bracket (indicated by the arrows and shaded area).

11. Install the pad retainers. Wipe excess assembly paste off the retainers. Keep the assembly paste off the brake disc and the brake pads.

12. Mount a commercially available brake caliper piston compressor tool (A) on the caliper body (B).





13. Press in the piston with the brake caliper piston compressor tool so the caliper will fit over the brake pads. Make sure the piston boot is in position to prevent damaging it when pivoting the caliper down.

NOTE: Be careful when pressing in the piston; brake fluid might overflow from the master cylinder's reservoir. If brake fluid gets on any painted surface, wash it off immediately with water.

14. Remove the brake caliper piston compressor tool.

15. Apply a thin coat of M-77 assembly paste (P/N 08798- 9010) to the pad side of the shims (A), the back of the brake pads (B), and the other areas indicated by the arrows. Wipe excess assembly paste off the pad shims and the brake pads friction material. Keep grease and assembly paste off the brake discs and the brake pads. Contaminated brake discs or brake pads reduce stopping ability.





16. Install the brake pads, the pad shims and pad return spring (C) correctly. Install the brake pad with the wear indicator (D) on the upper inside. If you are reusing the brake pads, always reinstall the brake pads in their original positions to prevent a temporary loss of braking efficiency.

17. Pivot the caliper down into position. Install the flange bolt (A), and tighten it to the specified torque while holding the caliper pin (B) with a wrench being careful not to damage the pin boot.





18. Install the brake hose mounting bolt (C).

19. Clean the mating surfaces of the brake disc and the inside of the wheel, then install the front wheels.

20. Press the brake pedal several times to make sure the brakes work.

NOTE: Engagement may require a greater pedal stroke immediately after the brake pads have been replaced as a set. Several applications of the brake pedal will restore the normal pedal stroke.

21. Add brake fluid as needed.

22. After installation, check for leaks at hose and line joints or connections, and retighten if necessary.

Test-drive the vehicle, then recheck for leaks Testing and Inspection.